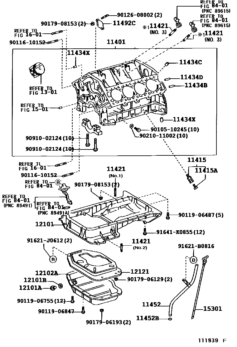
CYLINDER BLOCK

11401BLOCK SUB-ASSY, CYLINDER
11415COCK SUB-ASSY, WATER DRAIN(FOR CYLINDER BLOCK)
11415APLUG, WATER DRAIN COCK(FOR CYLINDER BLOCK)
11421BOLT, STUD(FOR OIL PAN)
11434BPIN, STRAIGHT(FOR CLUTCH HOUSING SET)
11434CPIN, STRAIGHT (FOR CYLINDER HEAD SET)
11434DPIN, STRAIGHT(FOR ENGINE REAR OIL SEAL)
11434XPIN, RING(FOR CHAIN CACE)
11452GUIDE, OIL LEVEL GAGE
11452BRING, O(FOR OIL LEVEL GAGE GUIDE)
11492CPLATE, WATER SEAL
12101PAN SUB-ASSY, OIL
12101APLUG(FOR OIL PAN DRAIN)
12101BGASKET(FOR OIL PAN DRAIN PLUG)
12102APAN SUB-ASSY, OIL, NO.2
12121PLATE, OIL PAN BAFFLE, NO.1
1301
1501
15301GAGE SUB-ASSY, OIL LEVEL
1601
8401
9010510245
main90105-10245
9011610152
main90116-10152
9011906487
main90119-06487
9011906755
main90119-06755
9011906847
main90119-06847
9012608002
main90126-08002
9017906129
main90179-06129
9017906193
main90179-06193
9017908153
main90179-08153
9021011002
main90210-11002
9091002124
main90910-02124
91621B0816
main91621-B0816
91621J0612
main91621-J0612
91641K0855
main91641-K0855
35 parts on this diagram · 1 diagram in section