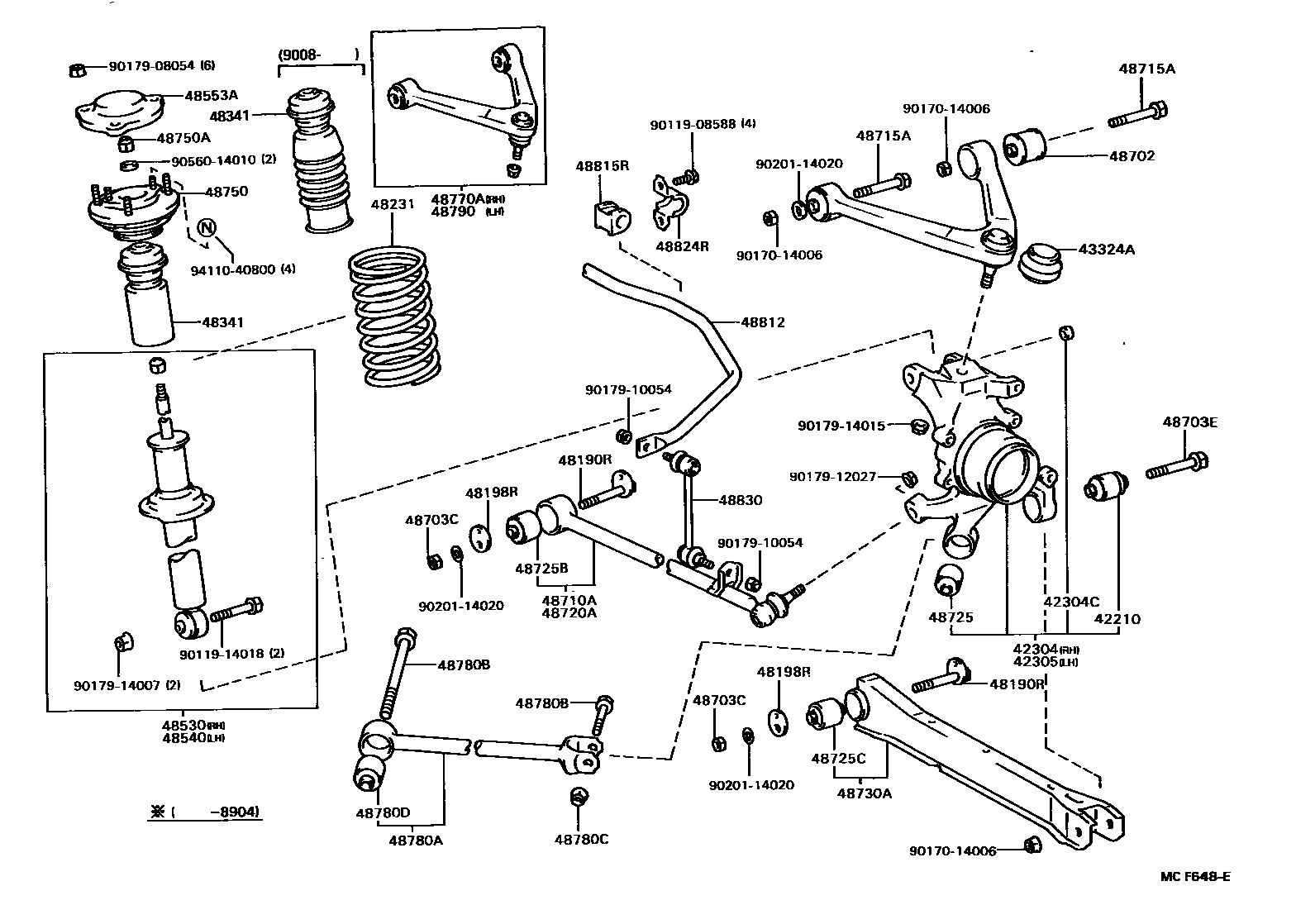
REAR SPRING & SHOCK ABSORBER

42210BUSH ASSY, LOWER BALL
42304CARRIER SUB-ASSY, REAR AXLE, RH
42304CSPACER (FOR REAR AXLE CARRIER)
42305CARRIER SUB-ASSY, REAR AXLE, LH
43324ACOVER, UPPER BALL JOINT DUST
48190RCAM ASSY, CAMBER ADJUST
48198RCAM, REAR SUSPENSION CAMBER ADJUST, NO.2
sub48198-50011
48231SPRING, COIL, REAR
48341BUMPER, REAR SPRING
48530ABSORBER ASSY, SHOCK, REAR RH
sub48530-29016
sub48530-29026
sub48530-29036
sub48530-29046
sub48530-29056
48540ABSORBER ASSY, SHOCK, REAR LH
sub48530-29016
sub48530-29026
sub48530-29036
sub48530-29046
sub48530-29056
48553ACAP, SHOCK ABSORBER
48702BUSH SUB-ASSY, UPPER CONTROL ARM
48703CNUT(FOR REAR SUSPENSION ARM)
48710AARM ASSY, REAR SUSPENSION, NO.1 RH
48720AARM ASSY, REAR SUSPENSION, NO.1 LH
48725BUSH, LOWER CONTROL ARM
48725BBUSH, REAR SUSPENSION ARM, NO.1
48725CBUSH, REAR SUSPENSION ARM, NO.2
48750ANUT(FOR REAR SUPPORT TO REAR SHOCK ABSORBER)
sub90177-12002
48770AARM ASSY, UPPER CONTROL, REAR RH
48780AROD ASSY, STRUT, REAR
48780BBOLT(FOR STRUT ROD)
BODY SIDE
CARRIER SIDE
48780CNUT(FOR STRUT ROD)
48780DBUSH, STRUT ROD
48790ARM ASSY, UPPER CONTROL, REAR LH
48812BAR, STABILIZER, REAR
48815RBUSH, STABILIZER(FOR REAR)
48824RBRACKET, STABILIZER(FOR REAR)
48830LINK ASSY, REAR STABILIZER
9011908588
main90119-08588
9011914018
main90119-14018
9017014006
main90170-14006
9017908054
main90179-08054
9017910054
main90179-10054
9017912027
main90179-12027
9017914007
main90179-14007
9017914015
main90179-14015
9020114020
main90201-14020
9056014010
main90560-14010
9411040800
main94110-40800
45 parts on this diagram · 2 diagrams in section