FUEL INJECTION SYSTEM

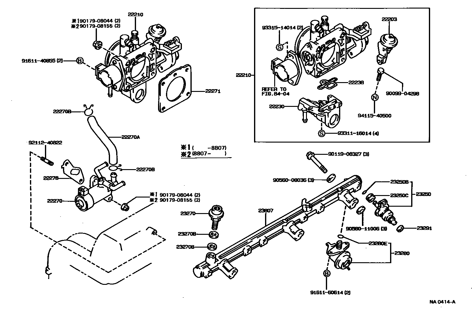
22210BODY ASSY, THROTTLE
22230VALVE ASSY, AUXILIARY AIR
22238GASKET, AUXILIARY AIR VALVE
22270VALVE ASSY, IDLE SPEED CONTROL(FOR THLOTTLE BODY)
22270AHOSE, AIR, NO.1(FOR IDLE SPEED CONTROL VALVE)
23250BRING, O(FOR FUEL INJECTOR)
23250CGROMMET(FOR FUEL INJECTOR)
23270BGASKET(FOR PULSATION DAMPER HOSE)
DAMPER SIDE,*53
DELIVERY SIDE
DELIVERY SIDE,*54
DELIVERY SIDE,*53
DELIVERY SIDE
DAMPER SIDE
23280ERING, O(FOR FUEL PRESSURE REGULATOR)
23291INSULATOR, INJECTOR VIBRATION
23807PIPE SUB-ASSY, FUEL DELIVERY
8404
9009904298
main90099-04298
9011908327
main90119-08327
9017908044
main90179-08044
9017908155
main90179-08155
9056008036
main90560-08036
9056011006
main90560-11006
9161140855
main91611-40855
9161160614
main91611-60614
9211240822
main92112-40822
9331116014
main93311-16014
9331514014
main93315-14014
9411540500
main94115-40500
31 parts on this diagram · 13 diagrams in section