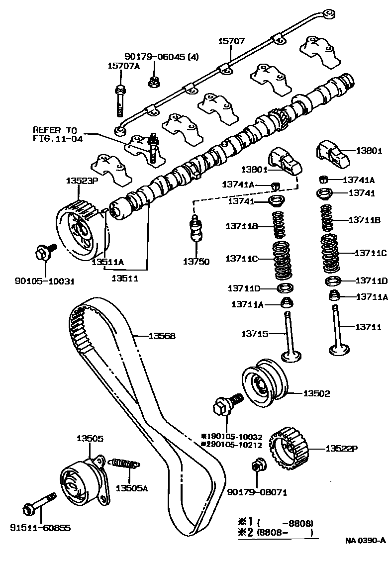
CAMSHAFT & VALVE

1104
13505IDLER SUB-ASSY, TIMING BELT, NO.1
*53
13511APIN, STRAIGHT(FOR CAMSHAFT KNOCK)
13522PPULLEY, PUMP DRIVE SHAFT
13523PPULLEY, CAMSHAFT TIMING
13568BELT, TIMING
sub13568-42011
sub13568-49015
sub13568-79065
sub13568-79085
sub13568-88340
sub13568-79035
13711ASEAL OR RING, O(FOR VALVE STEM OIL)
*54,BROWN,INTAKE SID
*54,BLACK,EXHAUST SI
ARAI
*53,BLACK
ARAI
*53,BROWN,INTAKE SID
13711CSPRING, COMPRESSION(FOR OUTER)
13711DWASHER, PLATE(FOR VALVE SPRING SEAT)
13715VALVE, EXHAUST
*54
*53
13741RETAINER, VALVE SPRING
13741ALOCK, VALVE SPRING RETAINER
13750ADJUSTER ASSY, VALVE LASH
13801ARM SUB-ASSY, VALVE ROCKER, NO.1
15707PIPE SUB-ASSY, OIL
15707ABOLT, UNION(FOR OIL PIPE)
9010510031
main90105-10031
9010510032
main90105-10032
9010510212
main90105-10212
9017906045
main90179-06045
9017908071
main90179-08071
9151160855
main91511-60855
27 parts on this diagram · 4 diagrams in section