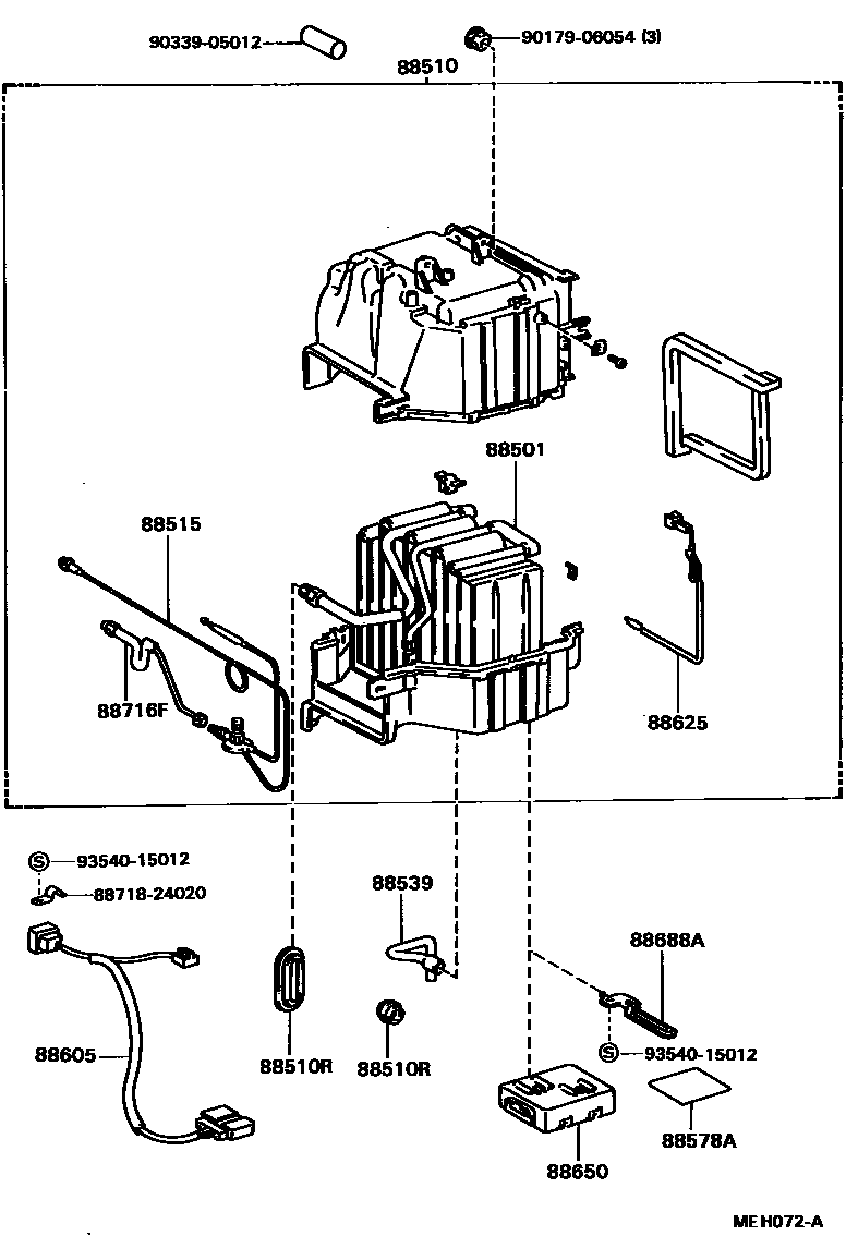
HEATING & AIR CONDITIONING - COOLER UNIT

88501EVAPORATOR SUB-ASSY, COOLER, NO.1
88510UNIT ASSY, COOLER
W/CRT DISPLAY
88510RGROMMET (FOR COOLER UNIT)
DRAIN HOSE
88578APACKING, COOLER STABILIZER AMPLIFIER
88605HARNESS SUB-ASSY, COOLER WIRING, NO.1
88625THERMISTOR, COOLER, NO.1
88688ABRACKET, COOLER STABILIZER AMPLIFIER
88716FPIPE, COOLER REFRIGERANT LIQUID, F
8871824020PIPE, COOLER REFRIGERANT SUCTION, NO.2
main88718-24020
9017906054
main90179-06054
9033905012
main90339-05012
9354015012
main93540-15012
15 parts on this diagram · 3 diagrams in section