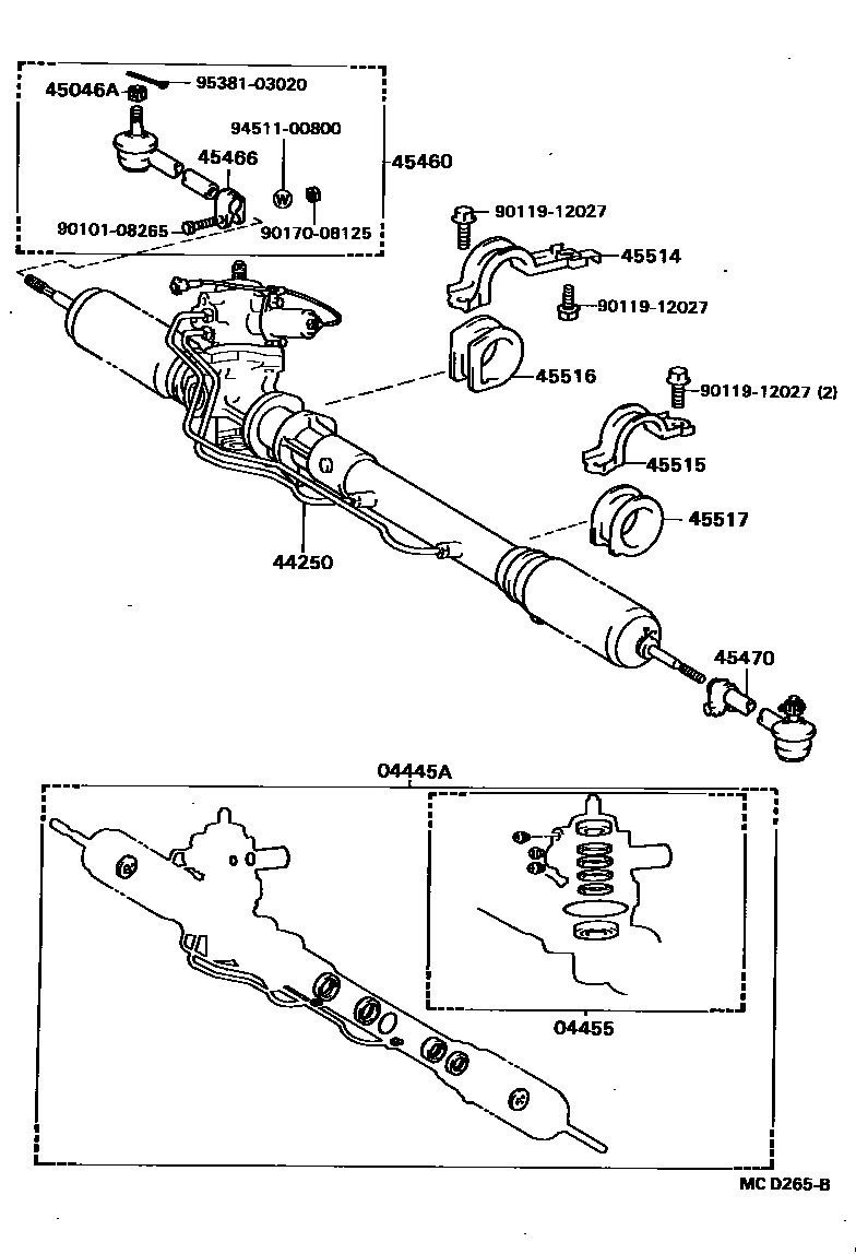
FRONT STEERING GEAR & LINK

04445AGASKET KIT, POWER STEERING GEAR(FOR RACK & PINION)
04455GASKET KIT, POWER STEERING CONTROL VALVE OVERHOLE
44250GEAR ASSY, POWER STEERING(FOR RACK & PINION)
45046ANUT, CASTLE(FOR TIE ROD END)
45460ROD ASSY, TIE, RH
45466CLAMP, TIE ROD END
45470ROD ASSY, TIE, LH
45514BRACKET, STEERING RACK HOUSING, NO.1
45515BRACKET, STEERING RACK HOUSING, NO.2
45516GROMMET, STEERING RACK HOUSING, NO.1
sub45516-14020
45517GROMMET, STEERING RACK HOUSING, NO.2
9010108265
main90101-08265
9011912027
main90119-12027
9017008125
main90170-08125
9451100800
main94511-00800
9538103020
main95381-03020
16 parts on this diagram · 4 diagrams in section