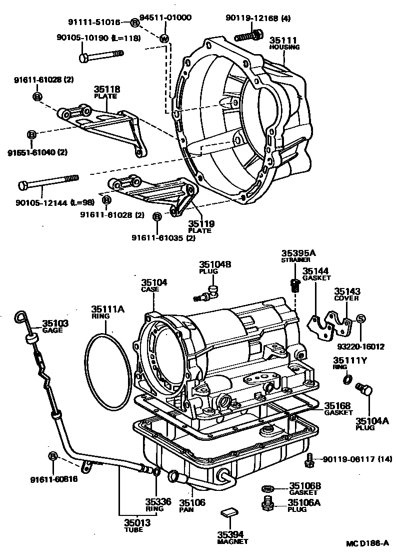
TRANSMISSION CASE & OIL PAN (ATM)

35013TUBE SUB-ASSY, TRANSMISSION OIL FILLER
35104APLUG, AUTOMATIC TRANSMISSION CASE
35104BPLUG, BREATHER, NO.1 (ATM)
35106APLUG SUB-ASSY, DRAIN (ATM)
sub90341-10011
35106BGASKET, DRAIN PLUG (ATM)
35111YRING, O (FOR AUTOMATIC TRANSMISSION CASE)
35143COVER, TRANSMISSION CASE, REAR
35144GASKET, TRANSMISSION CASE REAR COVER
sub35144-28010
35168GASKET, AUTOMATIC TRANSMISSION OIL PAN
35336RING, O (FOR TRANSMISSION OIL FILLER TUBE)
35394MAGNET, OIL CLEANER (FOR TRANSMISSION)
35395ASTRAINER, GOVERNOR OIL
9010510190
main90105-10190
9010512144
main90105-12144
9011906117
main90119-06117
9011912168
main90119-12168
9111151016
main91111-51016
9161160816
main91611-60816
9161161028
main91611-61028
9161161035
main91611-61035
9165161040
main91651-61040
9322016012
main93220-16012
9451101000
main94511-01000
30 parts on this diagram · 3 diagrams in section