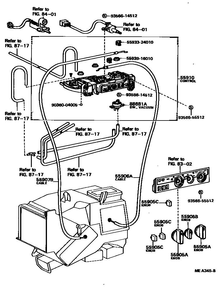
HEATING & AIR CONDITIONING - CONTROL & AIR DUCT

55906ACABLE SUB-ASSY, DEFROSTER DAMPER CONTROL
55907BCABLE SUB-ASSY, TEMPERATURE DAMPER CONTROL
55910CONTROL ASSY, HEATER OR BOOST VENTILATOR
8302
8401
8717
88681ASWITCH, HEATER CONTROL VACUUM, NO.1
5593324010GUIDE, LEVER, NO.2
main55933-24010
5593916010ORNAMENT, HEATER CONTROL
main55939-16010
9036004005
main90360-04005
9356614512
main93566-14512
9356655512
main93566-55512
15 parts on this diagram · 3 diagrams in section