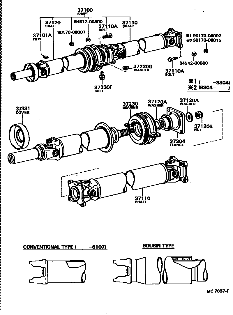
PROPELLER SHAFT & UNIVERSAL JOINT

37100SHAFT ASSY, PROPELLER W/CENTER BEARING
BOUSIN TYPE
BOUSIN TYPE
37101APIECE, BALANCE, NO.1 (FOR PROPELLER SHAFT)
37110SHAFT ASSY, PROPELLER
CONVENTIONAL TYPE
BOUSIN TYPE
37110ABOLT (FOR PROPELLER SHAFT)
37120AWASHER, PLATE (FOR PROPELLER INTERMEDIATE SHAFT SET)
37120BNUT (FOR PROPELLER INTERMEDIATE SHAFT SETTING)
37230BEARING ASSY, CENTER SUPPORT, NO.1
37230FBOLT, NO.1 (FOR CENTER SUPPORT BEARING)
37230GWASHER, NO.2 (FOR CENTER SUPPORT BEARING)
37331COVER, SLIDING SHAFT DUST
9017008007
main90170-08007
9017008015
main90170-08015
9451200800
main94512-00800
15 parts on this diagram · 3 diagrams in section