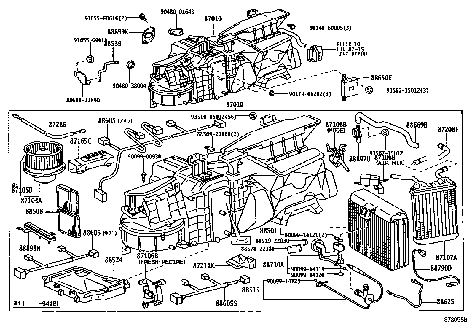
HEATING & AIR CONDITIONING - COOLER UNIT

87010UNIT ASSY, AIR CONDITIONER
sub87010-22020
sub87010-22040
sub87010-22120
sub87010-22120
sub87010-22140
sub87010-22170
sub87010-22170
sub87010-22190
87105DFAN SUB-ASSY, BLOWER
87106BSERVO SUB-ASSY, DAMPER(FOR COOLING UNIT)
FRESH-RECIRC
87107AUNIT SUB-ASSY, HEATER RADIATOR
8715
87165CCONTROL, BLOWER MOTOR
sub87165-22010
87208FPIPE SUB-ASSY, WATER
87211KDUCT, AIR
87286CABLE, CONTROL
88508FILTER SUB-ASSY, CLEAN AIR
88524PANEL, COOLING BOX, BOTTOM
88539HOSE, COOLER UNIT DRAIN, NO.1
88605HARNESS SUB-ASSY, COOLER WIRING, NO.1
88605SHARNESS SUB-ASSY, WIRING AIR CONDITIONER
88625THERMISTOR, COOLER, NO.1
88650EAMPLIFIER ASSY, AIR CONDITIONER, NO.1
88669BHOSE, COOLER AIR
88790DTHERMISTOR ASSY
88897UPIPE, ASPIRATOR
88899KPLATE, COVER
88899MPLATE, COVER(FOR AIR FILTER)
8851922030HOLDER, REMOTE BULB
main88519-22030
8856920160CLAMP (FOR COOLER RELAY)
main88569-20160
8857822180PAKING, COOLER AIR DUCT
main88578-22180
8868822890BRACKET, COOLER DIAPHRAGM
main88688-22890
9009900930
main90099-00930
9009914119
main90099-14119
9009914120
main90099-14120
9009914121
main90099-14121
9009914125
main90099-14125
9014860005
main90148-60005
9017906282
main90179-06282
9048001643
main90480-01643
9048038004
main90480-38004
91655F0616
main91655-F0616
91655G0616
main91655-G0616
9351005012
main93510-05012
9356715012
main93567-15012
42 parts on this diagram · 1 diagram in section