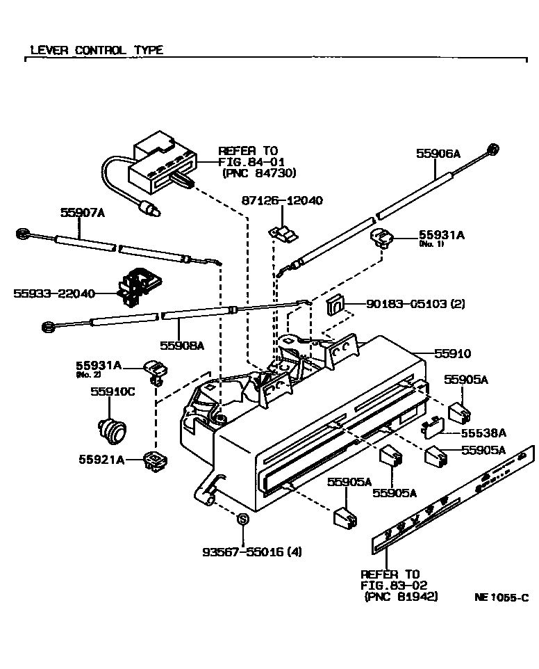
HEATING & AIR CONDITIONING - CONTROL & AIR DUCT

55538ACOVER, COOLER SWITCH HOLE
55905AKNOB, HEATER CONTROL
TEMP & BLOWER
55906ACABLE SUB-ASSY, DEFROSTER DAMPER CONTROL
55908ACABLE SUB-ASSY, AIR INLET DAMPER CONTROL
55910CONTROL ASSY, HEATER OR BOOST VENTILATOR
55910CGROMMET(FOR HEATER CONTROL CABLE)
55921ARETAINER, HEATER CONTROL
55931ASHAFT, HEATER CONTROL LEVER
8302
8401
5593322040GUIDE, LEVER, NO.2
main55933-22040
8712612040CLAMP, HEATER CONTROL
main87126-12040
9018305103
main90183-05103
9356755016
main93567-55016
15 parts on this diagram · 4 diagrams in section