E
EPC Data

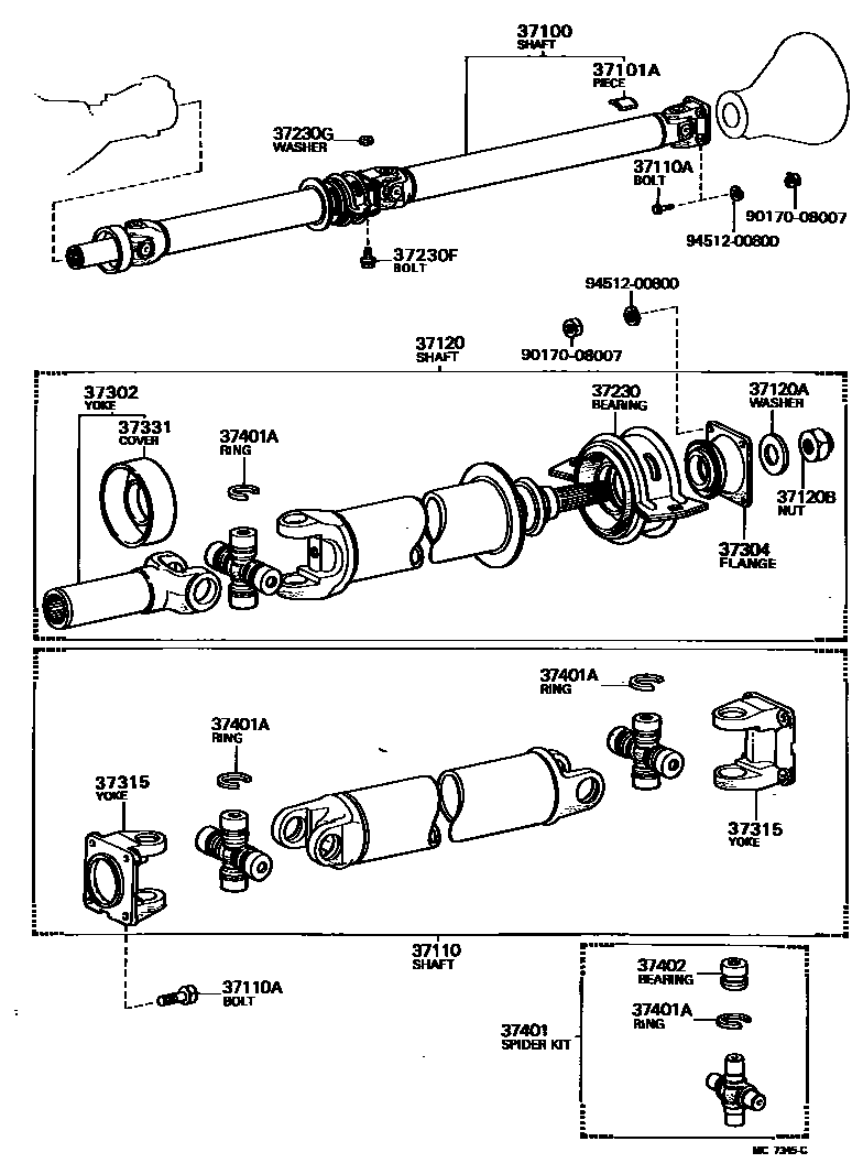
PROPELLER SHAFT & UNIVERSAL JOINT

Parts diagram
37100SHAFT ASSY, PROPELLER W/CENTER BEARING
main37100-22170i198003-198010
main37100-22180i198003-198010
main37100-22190i198003-198010
main37100-22200i198010-198407
main37100-22210i198010-198407
main37100-22220i198010-198208
A40D
main37100-22230i198208-198407
main37100-22230i198104-198208
A42DL
main37100-22240i198110-198208
main37100-22250i198208-198407
main37100-22270i198208-198407
main37100-22280i198208-198407
37101APIECE, BALANCE, NO.1 (FOR PROPELLER SHAFT)
main90937-01132i198003-198407
main90937-01136i198003-198407
main90937-01140i198003-198407
main90937-01147i198003-198407
main90937-01148i198003-198407
main90937-01149i198003-198407
main90937-01150i198003-198407
main90937-01151i198003-198407
main90937-01152i198003-198407
main90937-01153i198003-198407
main90937-01154i198003-198407
main90937-01155i198003-198407
main90937-01156i198003-198407
main90937-01157i198003-198407
main90937-01158i198003-198407
37110SHAFT ASSY, PROPELLER
main37110-12330i198010-198407
main37110-20170i198003-198208
main37110-22110i198208-198407
37110ABOLT (FOR PROPELLER SHAFT)
main90101-08062i198102-198304
main90101-08082i198304-198407
main90101-08214i198003-198102
37120SHAFT ASSY, PROPELLER INTERMEDIATE
main37120-22071i198003-198010
main37120-22081i198003-198010
main37120-22091i198003-198010
main37120-22110i198110-198208
main37120-22120i198010-198407
main37120-22130i198010-198407
main37120-22140i198010-198208
A40D
main37120-22150i198208-198407
main37120-22150i198104-198208
A42DL
main37120-22160i198208-198407
main37120-22170i198208-198407
37120AWASHER, PLATE (FOR PROPELLER INTERMEDIATE SHAFT SET)
main90201-18182i198003-198407
main90201-26005i198406-198407
37120BNUT (FOR PROPELLER INTERMEDIATE SHAFT SETTING)
main90179-18009i198406-198407
main90179-18060i198003-198406
37230BEARING ASSY, CENTER SUPPORT, NO.1
main37230-22042i198003-198407
main37230-22070i198208-198407
37230FBOLT, NO.1 (FOR CENTER SUPPORT BEARING)
main90119-10046i198003-198407
37230GWASHER, NO.2 (FOR CENTER SUPPORT BEARING)
main90201-10008i198003-198407
main90201-10017i198003-198407
main90201-10033i198003-198407
main90201-10034i198003-198407
main90201-10035i198003-198407
37302YOKE SUB-ASSY, UNIVERSAL JOINT SLEEVE
main37302-20040i198003-198208
37304FLANGE SUB-ASSY, UNIVERSAL JOINT
main37304-22012i198003-198406
main37304-22013i198406-198407
37315YOKE, UNIVERSAL JOINT FLANGE
main37315-20020i198003-198208
37331COVER, SLIDING SHAFT DUST
main37331-30010i198003-198407
37401SPIDER KIT, UNIVERSAL JOINT
main04371-22010i198003-198208
37401ARING, HOLE SNAP (FOR SPIDER BEARING)
main90521-29070i198003-198208
main90521-29071i198003-198208
main90521-29072i198003-198208
main90521-29073i198003-198208
37402BEARING SUB-ASSY, UNIVERSAL JOINT SPIDER
main37402-22020i198003-198208
9017008007
9451200800

19 parts on this diagram · 3 diagrams in section

PROPELLER SHAFT & UNIVERSAL JOINT — Toyota Parts Diagram with OEM Numbers & Prices | EPC Data