E
EPC Data

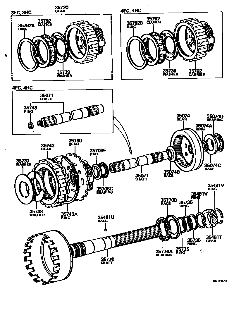
PLANETARY GEAR, REVERSE PISTON & COUNTER GEAR(ATM)

Parts diagram
35071SHAFT SUB-ASSY, PLANETARY INTERMEDIATE
main35708-22011i198003-198208
main35708-30021i198003-198407
A40D
main35708-30031i198104-198208
A42DL
main35708-30031i198208-198407
main35708-30040i198110-198209
main35708-30041i198209-198407
35074GEAR SUB-ASSY, REAR PLANETARY RING
main35074-22010i198003-198407
main35074-30010i198003-198407
main35074-30020i198110-198407
35074ARING, SET (FOR REAR PLANETARY RING GEAR)
main90522-20037i198003-198407
35074BRACE, THRUST BEARING (FOR REAR PLANETARY RING GEAR FRONT)
main35789-22050i198003-198407
35074CRACE, THRUST BEARING (FOR REAR PLANETARY RING GEAR REAR)
main35789-22020i198003-198407
35074DBEARING, THRUST (FOR REAR PLANETARY RING GEAR REAR)
main90374-28014i198003-198407
35481TGEAR, SPEEDMETER DRIVE (ATM)
main33481-26010i198003-198407
35481UKEY OR BALL, SPEEDMETER DRIVE GEAR (ATM)
main90360-06004i198003-198407
35481VRING OR SPACER (FOR ATM SPEEDMETER DRIVE GEAR)
main90520-28009i198003-198407
main90520-28009i198302-198407
main90520-29004i198302-198407
35702CARRIER SUB-ASSY, PLANETARY W/LOCK GEAR
main35704-30020i198003-198407
main35704-30030i198110-198407
35706FRACE, THRUST BEARING (FOR SUN GEAR REAR)
main35789-22010i198003-198407
35706GBEARING, THRUST (FOR SUN GEAR REAR)
main90374-23012i198003-198407
35720GEAR ASSY, FRONT PLANETARY
main35720-22011i198003-198010
main35720-22012i198010-198208
35735RING, PLANETARY OUTPUT SNAP
main35735-22010i198003-198407
35737WASHER, PLANETARY CARRIER THRUST
main35737-22010i198003-198407
main35737-30020i198110-198407
35738WASHER, PLANETARY CARRIER THRUST, NO.2
main35738-22010i198003-198407
main35738-30010i198110-198407
35739WASHER, PLANETARY CARRIER THRUST, NO.3
main35739-14010i198302-198407
main35739-22011i198003-198407
main35739-30010i198110-198407
35743GEAR, FRONT PLANETARY RING
main35743-22010i198003-198407
main35743-30010i198110-198407
35743ARING, SHAFT SNAP (FOR FRONT PLANETARY RING GEAR)
main90520-99121i198003-198407
35748RING, INTERMEDIATE SHAFT SLEEVE OIL SEAL
main35748-30010i198003-198407
35760GEAR ASSY, REAR PLANETARY
main35760-22011i198003-198010
main35760-22020i198010-198208
main35760-30010i198003-198407
main35760-30030i198110-198407
35770SHAFT ASSY, OUTPUT
main35770-14010i198201-198407
main35770-22012i198003-198201
main35770-24010i198302-198407
main35770-30010i198110-198407
35770ABEARING, THRUST (FOR OUTPUT SHAFT)
main90374-38013i198003-198407
35770BRACE, THRUST BEARING (FOR OUTPUT SHAFT)
main35789-22040i198003-198407
35792CLUTCH, 1 WAY, NO.2
main35792-20010i198104-198208
A42DL
main35792-20010i198208-198407
main35792-22020i198003-198407
A40,A40D
main35792-30010i198110-198208
main35792-30011i198208-198407
35792BRING, HOLE SNAP (FOR 1 WAY CLUTCH NO.2)
main90521-79148i198003-198407

26 parts on this diagram · 1 diagram in section

PLANETARY GEAR, REVERSE PISTON & COUNTER GEAR(ATM) — Toyota Parts Diagram with OEM Numbers & Prices | EPC Data