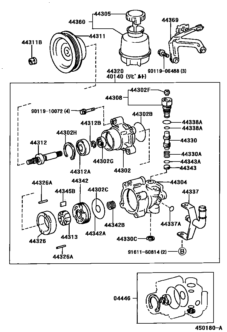
VANE PUMP & RESERVOIR (POWER STEERING)

04446GASKET KIT, POWER STEERING PUMP
40140PUMP ASSY,VANE REBUILT
TOYODA KOKI
44302HOUSING SUB-ASSY, VANE PUMP, FRONT
44302BRING, O, NO.1(FOR VANE PUMP HOUSING)
44302CRING, O, NO.2(FOR VANE PUMP HOUSING)
44302FSEAT, UNION(FOR VANE PUMP HOUSING)
44302GSEAL, OIL, NO.2(FOR VANE PUMP HOUSING)
44302HRING, SNAP, NO.1(FOR VANE PUMP HOUSING)
44304HOUSING SUB-ASSY, VANE PUMP, REAR
44305CAP SUB-ASSY, VANE PUMP OIL RESERVOIR
44308UNION SUB-ASSY, PRESSURE PORT
44311PULLEY, VANE PUMP
44311BNUT(FOR VANE PUMP PULLEY)
44312SHAFT, VANE PUMP
44312ABEARING(FOR VANE PUMP SHAFT)
44312BRING, SNAP, NO.1(FOR VANE PUMP SHAFT)
44313ROTOR, VANE PUMP
44320PUMP ASSY, VANE
44326RING, CAM(FOR VANE PUMP)
44326APIN, STRAIGHT(FOR VANE PUMP CAM RING)
44330VALVE ASSY, FLOW CONTROL
44330ASPRING, COMPRESSION(FOR FLOW CONTROL VALVE)
44330CRING, SNAP(FOR FLOW CONTROL VALVE)
44337UNION, POWER STEERING SUCTION PORT
44337ARING, O(FOR POWER STEERING SUCTION PORT)
44338ARING, O(FOR PRESSURE PORT UNION)
44342PLATE, VANE PUMP SIDE, REAR
44342ARING, O(FOR VANE PUMP SIDE PLATE REAR)
44342BSPRING, COMPRESSION(FOR VANE PUMP SIDE PLATE REAR)
44343SEAT, FLOW CONTROL SPRING
44343ARING, O(FOR FLOW CONTROL SPRING SEAT)
44345BPLATE, VANE PUMP
44360RESERVOIR ASSY, VANE PUMP OIL
44369BRACKET, OIL RESERVOIR, NO.1
9011906488
9011910072
9161160814
37 parts on this diagram · 6 diagrams in section