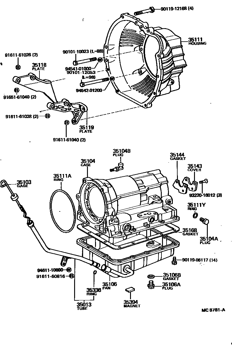
TRANSMISSION CASE & OIL PAN (ATM)

35013TUBE SUB-ASSY, TRANSMISSION OIL FILLER
35103GAGE SUB-ASSY, TRANSMISSION OIL LEVEL
A40D
35104APLUG, AUTOMATIC TRANSMISSION CASE
35104BPLUG, BREATHER, NO.1 (ATM)
35106BGASKET, DRAIN PLUG (ATM)
35111ARING, O (FOR AUTOMATIC TRANSMISSION HOUSING)
sub90301-99054
35111YRING, O (FOR AUTOMATIC TRANSMISSION CASE)
35143COVER, TRANSMISSION CASE, REAR
35144GASKET, TRANSMISSION CASE REAR COVER
sub35144-28010
35168GASKET, AUTOMATIC TRANSMISSION OIL PAN
35336RING, O (FOR TRANSMISSION OIL FILLER TUBE)
35394MAGNET, OIL CLEANER (FOR TRANSMISSION)
9010110023
main90101-10023
9010112053
main90101-12053
9011906117
main90119-06117
9011912168
main90119-12168
9161160816
main91611-60816
9161161028
main91611-61028
9161161040
main91611-61040
9165161040
main91651-61040
9322016012
main93220-16012
9454101000
main94541-01000
9454201200
main94542-01200
9461110800
main94611-10800
30 parts on this diagram · 7 diagrams in section