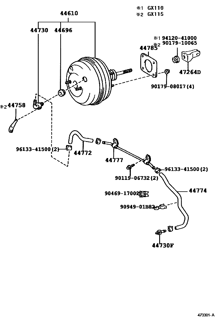
BRAKE BOOSTER & VACUUM TUBE

44610BOOSTER ASSY, BRAKE
44696GROMMET, CHECK VALVE
44730VALVE ASSY, VACUUM CHECK(FOR BRAKE)
44730FUNION, VACUUM HOSE(FOR MANIFOLD SIDE)
44758BRACKET, VACUUM CHECK VALVE
44772HOSE, CHECK VALVE TO CONNECTOR TUBE
44774HOSE, UNION TO CONNECTOR TUBE
44777CONNECTOR, VACUUM HOSE, NO.1
44785GASKET, BRAKE BOOSTER
47264DCLEVIS, BRAKE MASTER CYLINDER PUSH ROD
9011906732
main90119-06732
9017908017
main90179-08017
9017910065
main90179-10065
9046917002
main90469-17002
9094901B82
main90949-01B82
9412041000
main94120-41000
9613341500
main96133-41500
17 parts on this diagram · 3 diagrams in section