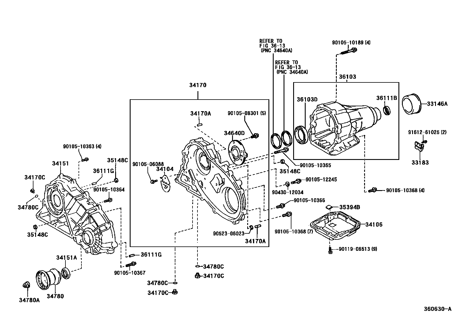
TRANSFER CASE & EXTENSION HOUSING

33183DAMPER, TRANSFER DYNAMIC
34104VALVE SUB-ASSY, TRANSFER BAFFLE
34106PAN SUB-ASSY, TRANSFER OIL
34151ASEAL, OIL (FOR TRANSFER CHAIN CASE)
34170CASE ASSY, TRANSFER CHAIN, REAR
34170APIN, STRAIGHT (FOR TRANSFER CHAIN CASE)
34170CPLUG (FOR TRANSFER CHAIN CASE)
34640DSUPPORT ASSY, TRANSFER CENTER
34780YOKE ASSY, FLANGE
34780ANUT (FOR FLANGE YOKE)
34780CRING, O (FOR FLANGE YOKE)
35148CGASKET, GOVERNOR APPLY (FOR ATM TRANSFER CHAIN CASE)
35394BMAGNET, OIL CLEANER (FOR TRANSFER)
36103CASE SUB-ASSY, TRANSFER
36103DBEARING (FOR TRANSFER CASE)
36111BSEAL, OIL (FOR TRANSFER CASE)
36111GPIN, STRAIGHT (FOR TRANSFER CASE)
3613
9010506088
main90105-06088
9010508301
main90105-08301
9010510189
main90105-10189
9010510363
main90105-10363
9010510364
main90105-10364
9010510365
main90105-10365
9010510366
main90105-10366
9010510367
main90105-10367
9010510368
main90105-10368
9010512245
main90105-12245
9011906513
main90119-06513
9043012034
main90430-12034
9052306023
main90523-06023
9161261025
main91612-61025
34 parts on this diagram · 1 diagram in section