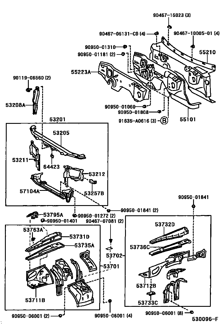
FRONT FENDER APRON & DASH PANEL

53201SUPPORT SUB-ASSY, RADIATOR
53205SUPPORT SUB-ASSY, RADIATOR, UPPER
53208ASUPPORT SUB-ASSY, HOOD LOCK
53211SUPPORT, RADIATOR, RH
53212SUPPORT, RADIATOR, LH
53257BBRACKET, RADIATOR SUPPORT TO FRONT FENDER
53701APRON SUB-ASSY, FRONT FENDER, RH
53702APRON SUB-ASSY, FRONT FENDER, LH
53711BAPRON, FRONT FENDER, FRONT RH
53712BAPRON, FRONT FENDER, FRONT LH
53731DMEMBER, FRONT APRON TO COWL SIDE, UPPER RH
53732DMEMBER, FRONT APRON TO COWL SIDE, UPPER LH
53733CPATCH, FRONT FENDER APRON
53735AMEMBER, FRONT APRON TO COWL SIDE, LOWER RH
53736CMEMBER, FRONT APRON TO COWL SIDE, LOWER LH
53763ABRACKET, AIR CLEANER INLET MOUNTING
53795ACOVER, ENGINE ROOM, SIDE
55101PANEL SUB-ASSY, DASH
55210INSULATOR ASSY, DASH PANEL
55223AINSULATOR, DASH PANEL, OUTER
57104AMEMBER SUB-ASSY, FRONT CROSS
64423PLATE, SUPPORT RADIATOR, UPPER
9011906560
main90119-06560
9046705131C0
main90467-05131C0
9046707081
main90467-07081
904671000501
main90467-1000501
9046715023
main90467-15023
9095001060
main90950-01060
9095001181
main90950-01181
9095001272
main90950-01272
9095001310
main90950-01310
9095001401
main90950-01401
9095001808
main90950-01808
9095001841
main90950-01841
9095006001
main90950-06001
91635A0616
main91635-A0616
36 parts on this diagram · 1 diagram in section