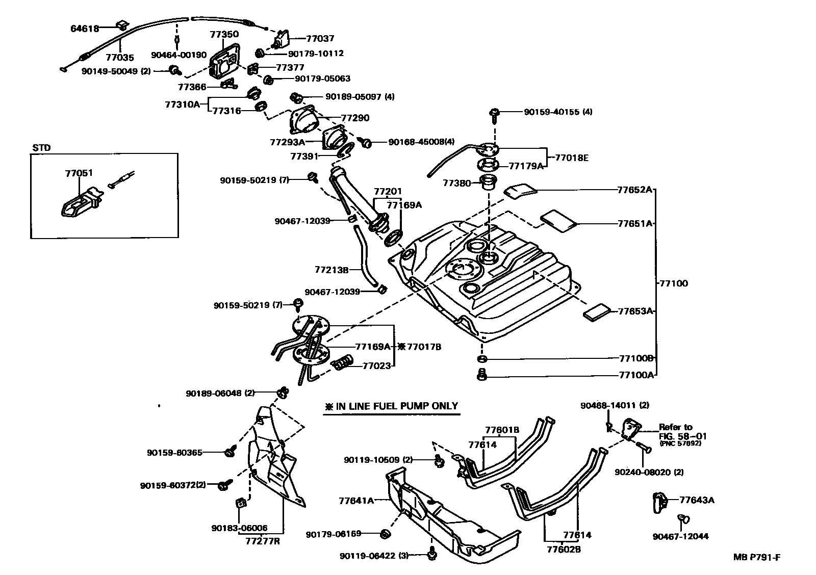
FUEL TANK & TUBE

5801
64618CLAMP, LUGGAGE LOCK CONTROL CABLE
77017BTUBE SUB-ASSY, FUEL TANK VENT
77018ETUBE SUB-ASSY, FUEL TANK EVAPORATION VENT
77023FILTER SUB-ASSY, FUEL SUCTION TUBE
77035CABLE SUB-ASSY, FUEL LID LOCK CONTROL
77037LOCK SUB-ASSY, FUEL FILLER OPENING LID
77051LEVER SUB-ASSY, FUEL LID OPEN
DARK BLUE,TRIM8#
77100APLUG(FOR FUEL TANK)
77100BGASKET(FOR FUEL TANK)
77169AGASKET, FUEL SUCTION TUBE SET
77179AGASKET, FUEL TANK BREATHER TUBE
77201PIPE SUB-ASSY, FUEL TANK INLET
77213BHOSE, FUEL TANK TO FILLER PIPE
77290SHIELD ASSY, FUEL TANK FILLER PIPE
77293ASHIELD, FUEL TANK FILLER PIPE, NO.3
77316GASKET, FUEL TANK CAP
77350LID ASSY, FUEL FILLER OPENING
77366SPRING, FUEL FILLER OPENING LID HINGE
77377RETAINER, FUEL FILLER OPENING LID LOCK
77380VALVE ASSY, FUEL CUT OFF
77391RING, FUEL INLET BOX
77601BBAND SUB-ASSY, FUEL TANK, NO.1 RH
77602BBAND SUB-ASSY, FUEL TANK, NO.1 LH
77614SEAT, FUEL TANK BAND
77641APROTECTOR, FUEL TANK, NO.1
77643APROTECTOR, FUEL TANK, NO.3
77651ACUSHION, FUEL TANK, NO.1
77652ACUSHION, FUEL TANK, NO.2
77653ACUSHION, FUEL TANK, NO.3
9011906422
main90119-06422
9011910509
main90119-10509
9014950049
main90149-50049
9015940155
main90159-40155
9015950219
main90159-50219
9015960365
main90159-60365
9015960372
main90159-60372
9016845008
main90168-45008
9017905063
main90179-05063
9017906169
main90179-06169
9017910112
main90179-10112
9018306006
main90183-06006
9018905097
main90189-05097
9018906048
main90189-06048
9024008020
main90240-08020
9046400190
main90464-00190
9046712039
main90467-12039
9046712044
main90467-12044
9046814011
main90468-14011
52 parts on this diagram · 11 diagrams in section