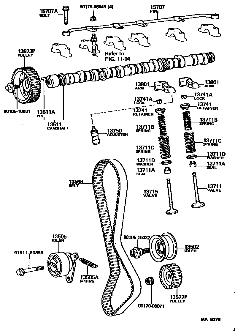
CAMSHAFT & VALVE

1104
13511APIN, STRAIGHT(FOR CAMSHAFT KNOCK)
13522GEAR, PUMP DRIVE SHAFT
N=30
13523GEAR OR SPROCKET, CAMSHAFT TIMING
13711ASEAL OR RING, O(FOR VALVE STEM OIL)
EXHAUST MANIFOLD SIDE
INTAKE MANIFOLD SIDE
sub90913-02094
sub90913-02059
INTAKE SIDE,BROWN
INTAKE SIDE,BROWN,*54,TYPE A
sub90913-02073
BLACK,*53
EXHAUST SIDE,BLACK,*54,TYPE A
EXHAUST SIDE,BLACK
sub90913-02080
13711CSPRING, COMPRESSION(FOR OUTER)
WD=4.5,CW=6.2
13711DWASHER, PLATE(FOR VALVE SPRING SEAT)
13741RETAINER, VALVE SPRING
13741ALOCK, VALVE SPRING RETAINER
13750ADJUSTER ASSY, VALVE LASH
15707PIPE SUB-ASSY, OIL
15707ABOLT, UNION(FOR OIL PIPE)
9010510031
main90105-10031
9010510032
main90105-10032
9017906045
main90179-06045
9017908071
main90179-08071
9151160855
main91511-60855
28 parts on this diagram · 6 diagrams in section