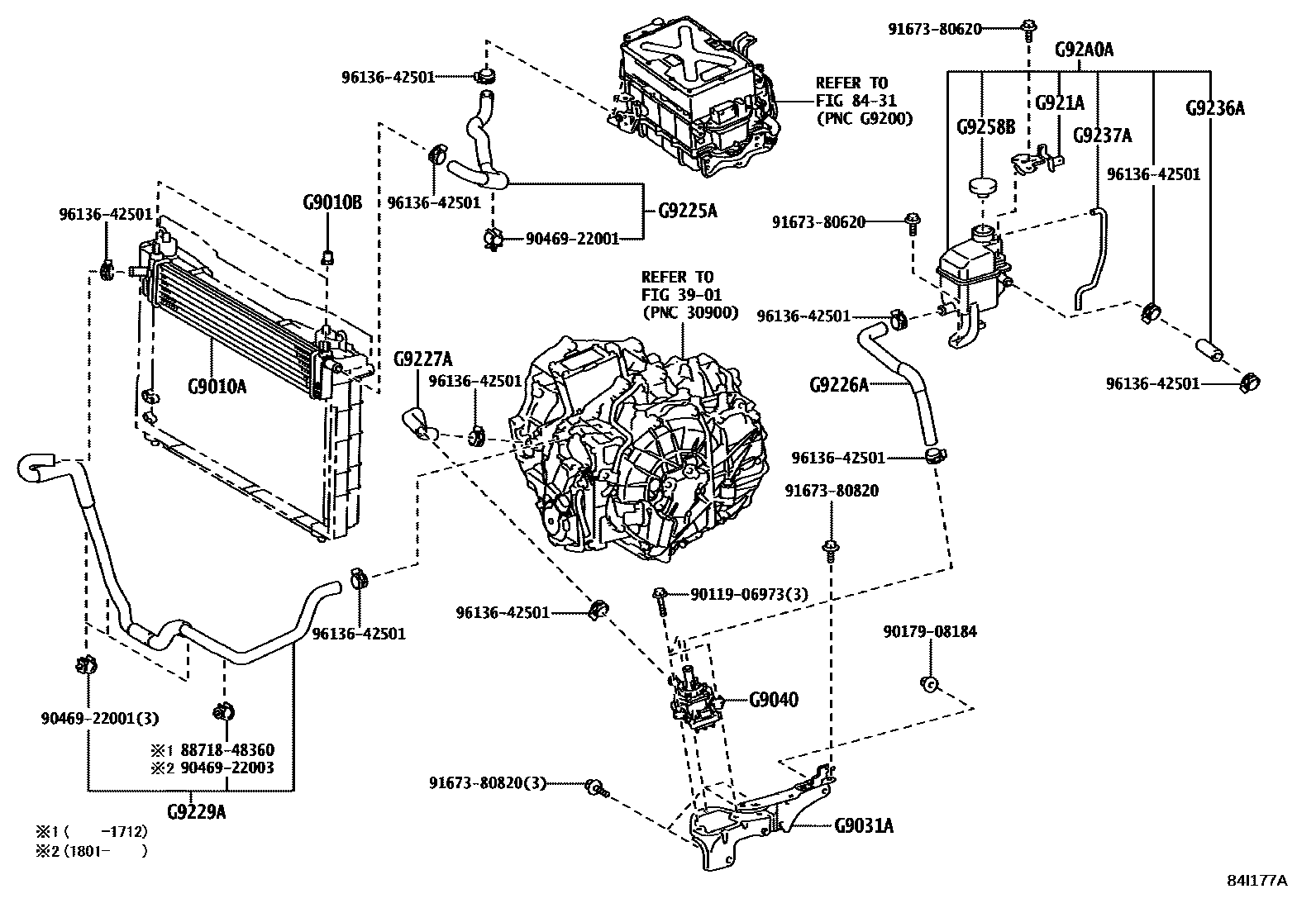
INVERTER COOLING

3901
8431
G9010BCUSHION, INVERTER RADIATOR
G9031ABRACKET SUB-ASSY, HV WATER PUMP
G9040INVERTER WATER PUMP ASSY(W/MOTOR)
G921ABRACKET, INVERTER RESERVE TANK, NO.1
G9225AHOSE, INVERTER COOLING, NO.7
G9226AHOSE, INVERTER COOLING, NO.2
G9227AHOSE, INVERTER COOLING, NO.3
G9229AHOSE, INVERTER COOLING, NO.5
G9236AHOSE, INVERTER COOLING, NO.6
G9237AHOSE, INVERTER DRAIN
8871848360PIPE, COOLER REFRIGERANT SUCTION, NO.2
main88718-48360
9011906973
main90119-06973
9017908184
main90179-08184
9046922001
main90469-22001
9046922003
main90469-22003
9167380620
main91673-80620
9167380820
main91673-80820
9613642501
main96136-42501
23 parts on this diagram · 1 diagram in section