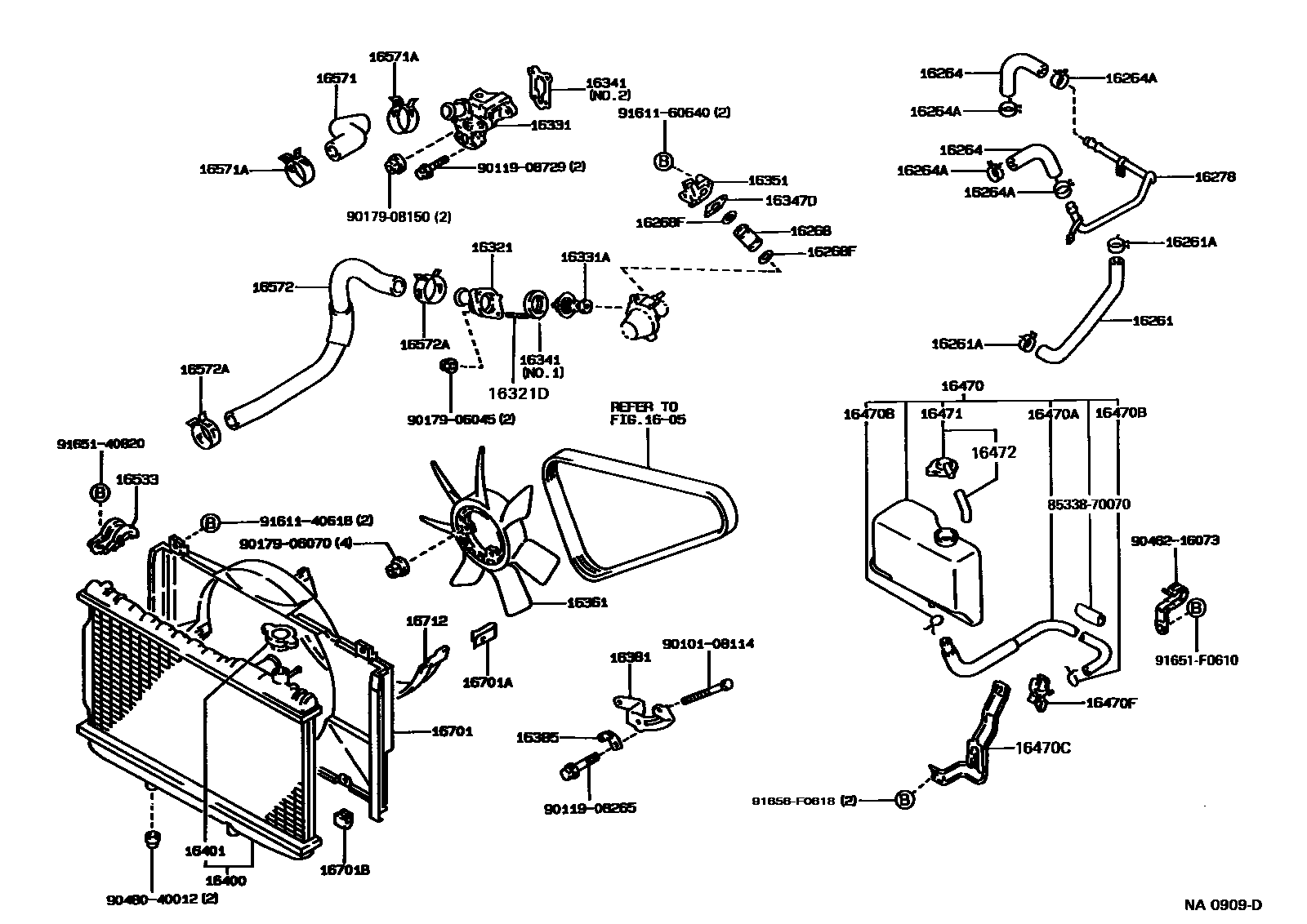
RADIATOR & WATER OUTLET

1605
16264HOSE, WATER BY-PASS, NO.2
16268FRING, O(FOR WATER BY-PASS PIPE)
16321INLET, WATER
16321DBOLT, STUD(FOR WATER INLET)
16331OUTLET, WATER
16331ATHERMOSTAT
16341GASKET, WATER OUTLET
NO.1
16347DGASKET, WATER BY-PASS
sub16347-70021
16351OUTLET, WATER BY-PASS
sub16351-70011
16381BAR, FAN BELT ADJUSTING
16385SLIDER, FAN BELT ADJUSTING
16470AHOSE OR PIPE(FOR RADIATOR RESERVE TANK)
16470BCLAMP OR CLIP(FOR RADIATOR RESERVE TANK HOSE)
16470CBRACKET(FOR RADIATOR RESERVE TANK)
16470FCLAMP, RADIATOR RESERVE TANK HOSE
16471CAP SUB-ASSY, RESERVE TANK
16472HOSE, BREATHER
16533SUPPORT, RADIATOR, UPPER
16571HOSE, RADIATOR, INLET
16572HOSE, RADIATOR, OUTLET
16701SHROUD SUB-ASSY, FAN
16701ACLIP(FOR FAN SHROUD)
16701BCUSHION, FAN SHROUD
16712SHROUD, FAN, NO.2
8533870070HOSE, BREATHER
main85338-70070
9010108114
main90101-08114
9011908265
main90119-08265
9011908729
main90119-08729
9017906045
main90179-06045
9017906070
main90179-06070
9017908150
main90179-08150
9046216073
main90462-16073
9048040012
main90480-40012
9161140618
main91611-40618
9161160640
main91611-60640
9165140820
main91651-40820
91651F0610
main91651-F0610
91656F0618
main91656-F0618
50 parts on this diagram · 9 diagrams in section