HEATING & AIR CONDITIONING - HEATER UNIT & BLOWER

55907CCABLE SUB-ASSY, WATER VALVE CONTROL
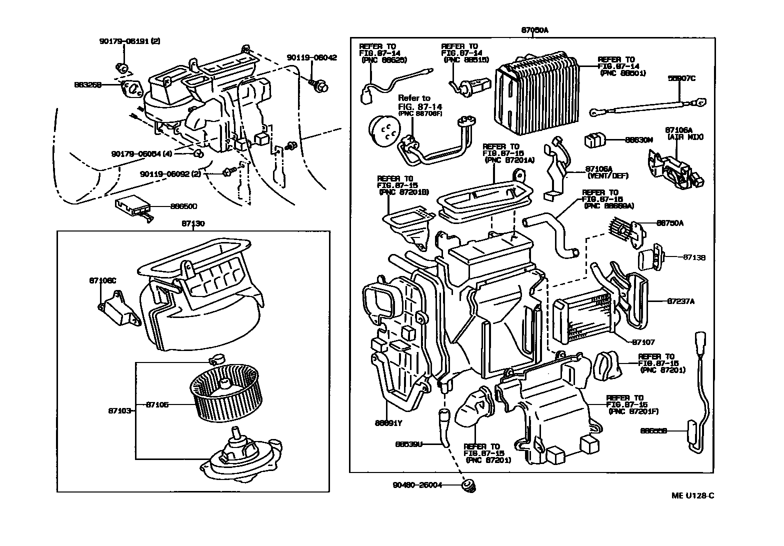
87105FAN SUB-ASSY, HEATER BLOWER
87106ASERVO SUB-ASSY, DAMPER
VENT/DEF
87106CSERVO SUB-ASSY, DAMPER(FOR BLOWER)
87130BLOWER ASSY, HEATER, FRONT
87138RESISTOR, HEATER BLOWER
8714
8715
87237ACOVER, HEATER PIPING
88326BPLATE, COVER
88539UHOSE, COOLER DRAIN
88630MRELAY ASSY, COOLER
88650DAMPLIFIER ASSY
88655BSWITCH, WATER TEMPERATURE
88750ATRANSISTOR ASSY, BLOWER RESISTOR
88891YCOVER, COOLER,NO.1
9011906042
main90119-06042
9011906092
main90119-06092
9017906054
main90179-06054
9017906191
main90179-06191
9048026004
main90480-26004
24 parts on this diagram · 1 diagram in section