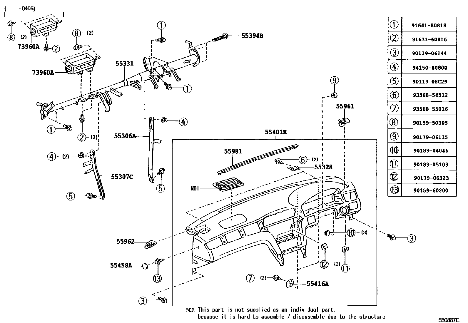
INSTRUMENT PANEL & GLOVE COMPARTMENT

55306ABRACE SUB-ASSY, INSTRUMENT PANEL, NO.1
55307CBRACE SUB-ASSY, INSTRUMENT PANEL, NO.2
55394BBOLT, INSTRUMENT PANEL
55401EPAD SUB-ASSY, INSTRUMENT PANEL SAFETY
BLACK,TRIM2#
SANDAL WOOD,TRIM0#
SANDAL WOOD,TRIM0#
55416ARETAINER, METER HOOD, NO.1
55458ACAP, INSTRUMENT PANEL SAFETY PAD
55961NOZZLE, SIDE DEFROSTER, NO.1
55962NOZZLE, SIDE DEFROSTER, NO.2
55981GARNISH, DEFROSTER NOZZLE, NO.1
73960AAIRBAG ASSY, INSTRUMENT PANEL PASSENGER W/O DOOR
9011906144
main90119-06144
9011908C29
main90119-08C29
9015950305
main90159-50305
9015960200
main90159-60200
9017906115
main90179-06115
9017906323
main90179-06323
9018304046
main90183-04046
9018305103
main90183-05103
9163160816
main91631-60816
9164180818
main91641-80818
9356854512
main93568-54512
9356855016
main93568-55016
9415080800
main94150-80800
25 parts on this diagram · 2 diagrams in section