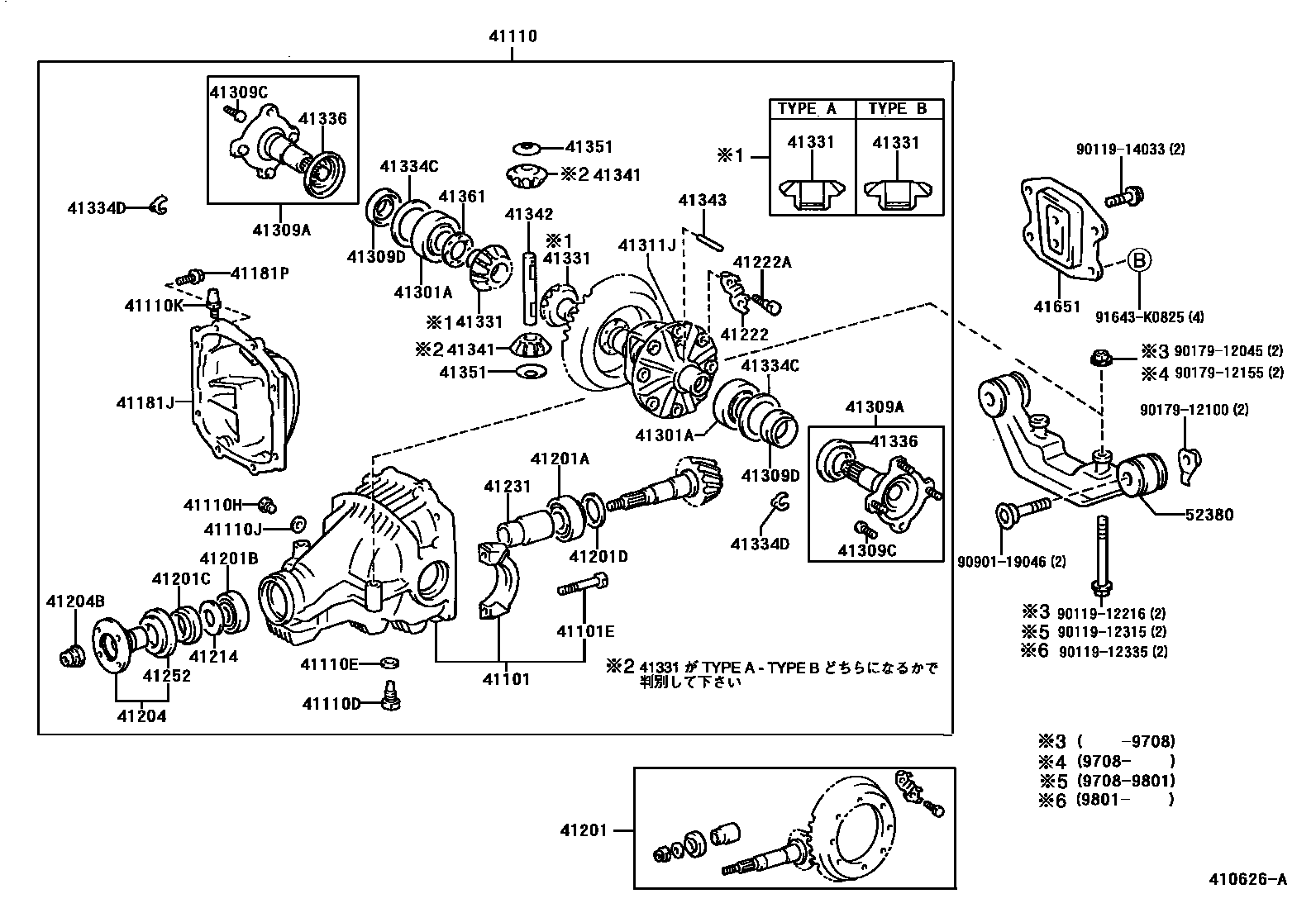
REAR AXLE HOUSING & DIFFERENTIAL

41101CARRIER SUB-ASSY, DIFFERENTIAL, REAR
41101EBOLT (FOR REAR DIFFERENTIAL CARRIER)
41110CARRIER ASSY, DIFFERENTIAL, REAR
41110DPLUG (FOR REAR DIFFERENTIAL DRAIN)
41110EGASKET (FOR REAR DIFFERENTIAL DRAIN PLUG)
41110HPLUG (FOR REAR DIFFERENTIAL FILLER)
41110JGASKET (FOR REAR DIFFERENTIAL FILLER PLUG)
41110KPLUG, BREATHER (FOR REAR DIFFERENTIAL)
41181PBOLT (FOR REAR DIFFERENTIAL CARRIER COVER SETTING)
sub90105-10361
41201FINAL GEAR KIT, DIFFERENTIAL, REAR
41201ABEARING (FOR REAR DRIVE PINION REAR)
sub90366-34019
41201BBEARING (FOR REAR DRIVE PINION FRONT)
41201CSEAL, OIL (FOR REAR DIFFERENTIAL CARRIER)
sub90311-38068
41201DWASHER, PLATE (FOR REAR DIFFERENTIAL DRIVE PINION)
41204FLANGE SUB-ASSY, REAR DRIVE PINION COMPANION, REAR
41204BNUT (FOR REAR DRIVE PINION)
41214SLINGER, REAR DIFFERENTIAL DRIVE PINION OIL
41222PLATE, REAR DIFFERENTIAL RING GEAR SET BOLT LOCK
41222ABOLT (FOR REAR DIFFERENTIAL RING GEAR SET)
41231SPACER, REAR DIFFERENTIAL DRIVE PINION BEARING
41252DEFLECTOR, DUST (FOR REAR DIFFERENTIAL)
41301ABEARING(FOR REAR DIFFERENTIAL CASE)
41309ASHAFT SUB-ASSY, REAR DIFFERENTIAL SIDE GEAR
41309CBOLT (FOR REAR DIFFERENTIAL SIDE GEAR SHAFT)
41311JCASE, REAR DIFFERENTIAL
41334CWASHER, PLATE (FOR REAR DIFFERENTIAL SIDE GEAR SHAFT)
41334DRING, SHAFT SNAP (FOR REAR DIFFERENTIAL SIDE GEAR SHAFT)
41336COVER, DUST(FOR REAR DIFFERENTIAL SIDE GEAR SHAFT)
41342SHAFT, REAR DIFFERENTIAL PINION
41343PIN, REAR DIFFERENTIAL PINION SHAFT
41351WASHER, REAR DIFFERENTIAL PINION THRUST
41361WASHER, REAR DIFFERENTIAL SIDE GEAR THRUST, NO.1
41651CUSHION, REAR DIFFERENTIAL MOUNT, NO.1
52380SUPPORT, REAR DIFFERENTIAL, NO.1
9011912216
main90119-12216
9011912315
main90119-12315
9011912335
main90119-12335
9011914033
main90119-14033
9017912045
main90179-12045
9017912100
main90179-12100
9017912155
main90179-12155
9090119046
main90901-19046
91643K0825
main91643-K0825
47 parts on this diagram · 1 diagram in section