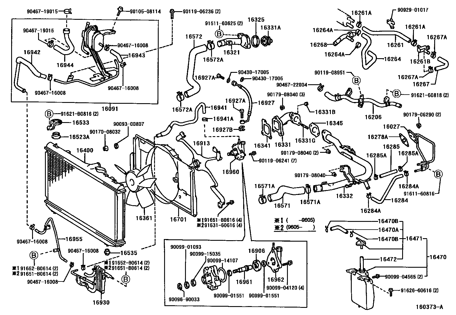
RADIATOR & WATER OUTLET

16027PIPE SUB-ASSY, TURBO WATER, NO.1
16091FILTER SUB-ASSY, HYDRAULIC MOTER OIL
16206PIPE SUB-ASSY, WATER BY-PASS
16261HOSE, WATER BY-PASS
16261BUNION(FOR WATER BY-PASS HOSE)
16264ACLAMP OR CLIP(FOR WATER BY-PASS HOSE NO.2)
16267HOSE, WATER BY-PASS, NO.3
16267ACLAMP OR CLIP(FOR WATER BY-PASS HOSE NO.3)
sub96135-51100
16278AGASKET, WATER BY-PASS
16284HOSE, TURBO WATER, NO.1
16284ACLIP(FOR TURBO WATER HOSE NO.1)
16285HOSE, TURBO WATER, NO.2
sub99556-10300
16285ACLIP(FOR TURBO WATER HOSE NO.2)
16325GASKET, WATER INLET HOUSING, NO.1
16331BPLUG(FOR WATER OUTLET)
16331GBOLT, STUD(FOR WATER INLET)
16345GASKET, WATER OUTLET PIPE
16470TANK ASSY, RADIATOR RESERVE
16470AHOSE OR PIPE(FOR RADIATOR RESERVE TANK)
16470BCLAMP OR CLIP(FOR RADIATOR RESERVE TANK HOSE)
16472HOSE, BREATHER
16523ACUSHION, RADIATOR SUPPORT
16533SUPPORT, RADIATOR, UPPER
16571HOSE, RADIATOR, INLET
16571ACLAMP OR CLIP, HOSE(FOR RADIATOR INLET)
sub90467-34004
16572ACLAMP OR CLIP, HOSE(FOR RADIATOR OUTLET NO.1)
sub90467-34004
16701SHROUD SUB-ASSY, FAN
16906GEAR SET, HYDRAULIC
16927HOSE, HYDRAULIC MOTOR PRESSURE
16927BGASKET(FOR PRESSURE HOSE)
16930COOLER ASSY, HYDRAULIC MOTOR OIL
16941HOSE, HYDRAULIC MOTOR RETURN, NO.1
16941ACLIP(FOR RETURN NO.1)
sub90467-16019
16942HOSE, HYDRAULIC MOTOR RETURN, NO.2
16943HOSE, HYDRAULIC MOTOR RETURN, NO.3
16944HOSE, HYDRALIC MOTER RETURN, NO.4
16955PIPE, HYDRAULIC MOTOR RETURN
16960MOTOR ASSY, HYDRAULIC GEAR
16961SHAFT, HYDRAULIC GEAR MOTOR
16962COVER, HYDRAULIC GEAR MOTOR
9009300807
main90093-00807
9009690033
main90096-90033
9009901093
main90099-01093
9009901551
main90099-01551
9009904120
main90099-04120
9009904565
main90099-04565
9009914107
main90099-14107
9009915035
main90099-15035
9010508114
main90105-08114
9011906236
main90119-06236
9011906241
main90119-06241
9011908951
main90119-08951
9017008032
main90170-08032
9017906290
main90179-06290
9017908040
main90179-08040
9043017005
main90430-17005
9046716008
main90467-16008
9046719015
main90467-19015
9046722004
main90467-22004
9092901017
main90929-01017
9151160625
main91511-60625
9161160816
main91611-60816
9162160818
main91621-60818
91621B0816
main91621-B0816
9162660616
main91626-60616
9163160616
main91631-60616
91651B0614
main91651-B0614
91651B0616
main91651-B0616
91652B0614
main91652-B0614
84 parts on this diagram · 4 diagrams in section