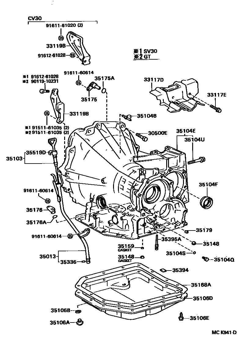
TRANSMISSION CASE & OIL PAN (ATM)

30500EBOLT(FOR TRANSAXLE & ENGINE SETTING)
33117DPROTECTOR, AUTOMATIC TRANSMISSION CASE
33117EBOLT(FOR AUTOMATIC TRANSMISSION CASE PROTECTOR)
33119BPLATE, STIFFENER, LH(ATM)
35013TUBE SUB-ASSY, TRANSMISSION OIL FILLER
35103GAGE SUB-ASSY, TRANSMISSION OIL LEVEL
35104BPLUG, BREATHER, NO.1 (ATM)
35104ECASE SUB-ASSY, AUTOMATIC TRANSAXLE
35104FSEAL, OIL (FOR TRANSAXLE CASE)
35104QPLUG, NO.1 (FOR TRANSAXLE CASE)
35104SRING, O (FOR TRANSAXLE CASE PLUG NO.1)
35104UBOLT (FOR TRANSAXLE CASE)
35106APLUG SUB-ASSY, DRAIN (ATM)
35106BGASKET, DRAIN PLUG (ATM)
35106DPAN SUB-ASSY, AUTOMATIC TRANSAXLE OIL
main35106-10022iCV30,SV30,32..4FC;SV33..SED..4FC..GT;SV33..4FC..(ETO,LUM,VE,VX,ZX)¥8,100199007-199406
35106EBOLT (FOR TRANSAXLE OIL PAN)
35148GASKET, GOVERNOR APPLY, NO.1
35159GASKET, BRAKE DRUM
35168AGASKET, AUTOMATIC TRANSAXLE OIL PAN
35175CAP, TRANSAXLE CASE, NO.2
35175ARING, O (FOR TRANSAXLE CASE CAP)
35176CAP, WIRE HARNESS
35176ARING, O (FOR WIRE HARNESS CAP)
35179GASKET, OVERDRIVE BRAKE
35336RING, O (FOR TRANSMISSION OIL FILLER TUBE)
35394MAGNET, OIL CLEANER (FOR TRANSMISSION)
35395ASTRAINER, GOVERNOR OIL
35519DLABEL, AUTOMATIC TRANSMISSION INFORMATION
9011910231
9151161035
9161160614
9161161020
9161261028
33 parts on this diagram · 3 diagrams in section