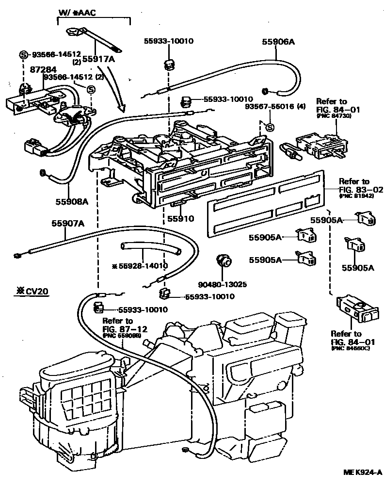
HEATING & AIR CONDITIONING - CONTROL & AIR DUCT

55905AKNOB, HEATER CONTROL
FACE
LEVER TYPE
BI-LEVEL
FOOT
FOOT/DEF
DEF
FAN OFF
FAN LO
FAN M1
FAN M2
FAN H1
A/C
ECON
RECIRCU
FULL AUTO
COVER,NO.3
55906ACABLE SUB-ASSY, DEFROSTER DAMPER CONTROL
55907ACABLE SUB-ASSY, WATER VALVE CONTROL
55908ACABLE SUB-ASSY, AIR INLET DAMPER CONTROL
55910CONTROL ASSY, HEATER OR BOOST VENTILATOR
55917ALEVER, TEMPERATURE DAMPER CONTROL
8302
8401
8712
87284RESISTOR SUB-ASSY, VARIABLE
5592814010PROTECTOR, HEATER CONTROL
main55928-14010
5593310010GUIDE, LEVER, NO.2
main55933-10010
9048013025
main90480-13025
9356614512
main93566-14512
9356755016
main93567-55016
15 parts on this diagram · 6 diagrams in section