HEATING & AIR CONDITIONING - CONTROL & AIR DUCT

55905AKNOB, HEATER CONTROL
FACE
W/*PHC,FACE
BI-LEVEL
W/*PHC,BI-LEVEL
FOOT
W/*PHC,FOOT
W/*PHC,FOOT/DEF
FOOT/DEF
DEF
W/*PHC,DEF
FAN OFF
W/*PHC,FAN OFF
FAN LO
W/*PHC,FAN LO
FAN M1
W/*PHC,FAN M1
W/*PHC,FAN M2
FAN M2
FAN HI
W/*PHC,FAN HI
RECIRCU
W/*PHC,RECIRCU
W/*PHC,A/C
ECON
W/*PHC,ECON
W/*PHC,TENP
FULL AUTO
W/*PHC,FULL AUTO
W/*PHC,MODE AUTO
MODE AUTO
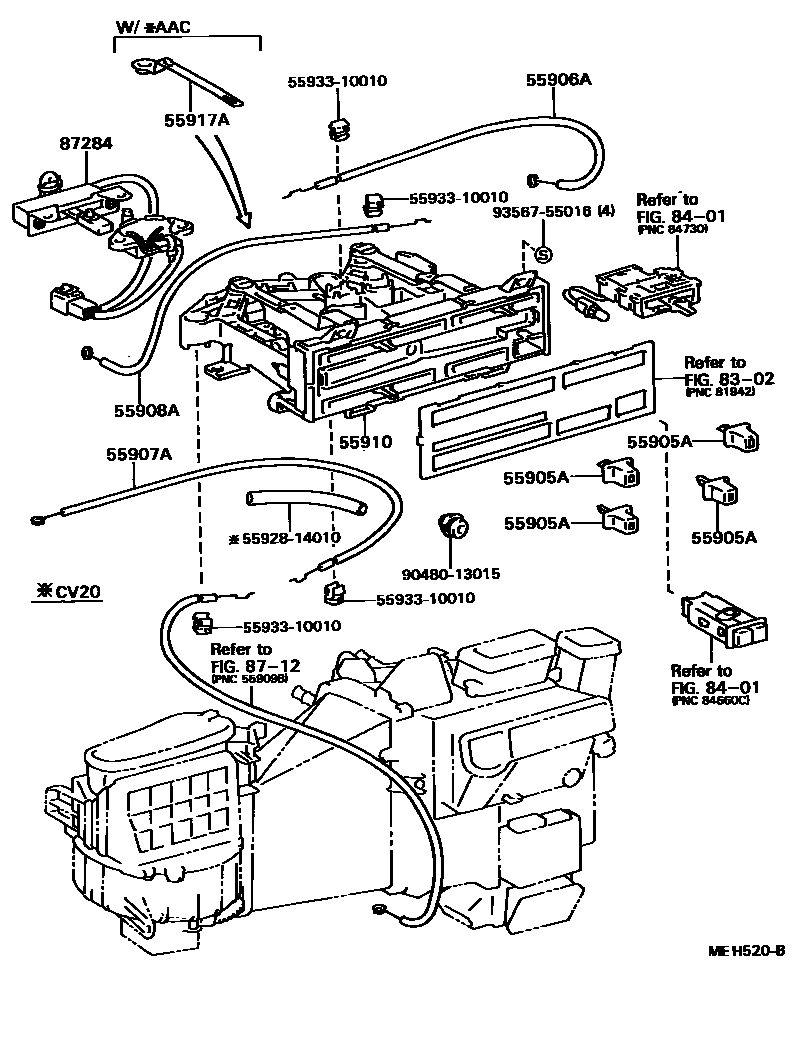
55906ACABLE SUB-ASSY, DEFROSTER DAMPER CONTROL
55907ACABLE SUB-ASSY, WATER VALVE CONTROL
55908ACABLE SUB-ASSY, AIR INLET DAMPER CONTROL
55910CONTROL ASSY, HEATER OR BOOST VENTILATOR
55917ALEVER, TEMPERATURE DAMPER CONTROL
8302
8401
8712
87284RESISTOR SUB-ASSY, VARIABLE
5592814010PROTECTOR, HEATER CONTROL
main55928-14010
5593310010GUIDE, LEVER, NO.2
main55933-10010
9048013015
main90480-13015
9356755016
main93567-55016
14 parts on this diagram · 5 diagrams in section