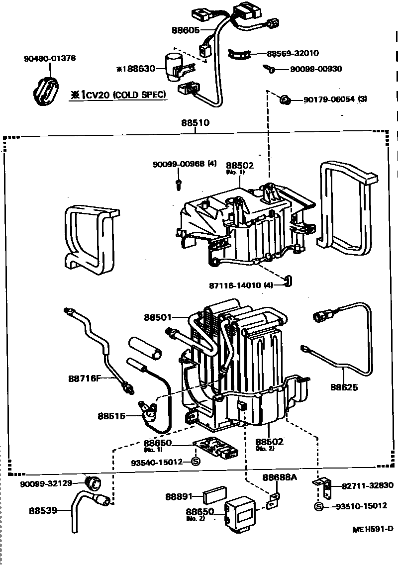
HEATING & AIR CONDITIONING - COOLER UNIT

88501EVAPORATOR SUB-ASSY, COOLER, NO.1
88502CASE SUB-ASSY, COOLING UNIT
NO.1
NO.2
88510UNIT ASSY, COOLER
88515VALVE, COOLER EXPANSION
88605HARNESS SUB-ASSY, COOLER WIRING, NO.1
COLD SPEC
88625THERMISTOR, COOLER, NO.1
88630RELAY ASSY, COOLER
COLD SPEC
88650AMPLIFIER ASSY, COOLER STABILIZER
NO.2
NO.1
NO.1
NO.1
NO.2
NO.1
88688ABRACKET, COOLER STABILIZER AMPLIFIER
88716FPIPE, COOLER REFRIGERANT LIQUID, F
88891PACKING (FOR COOLER)
8271132830WIRE, FUSE TO FUSE(FOR COMBUSTION HEATER)
main82711-32830
8711614010SPRING, HEATER CASE FASTENING
main87116-14010
8856932010CLAMP (FOR COOLER RELAY)
main88569-32010
9009900930
main90099-00930
9009900968
main90099-00968
9009932129
main90099-32129
9017906054
main90179-06054
9048001378
main90480-01378
9351015012
main93510-15012
9354015012
main93540-15012
22 parts on this diagram · 2 diagrams in section