E
EPC Data

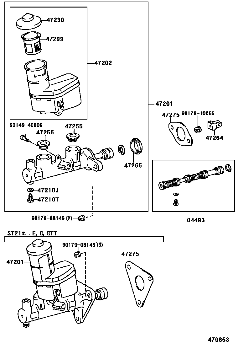
BRAKE MASTER CYLINDER

Parts diagram
04493CYLINDER KIT, BRAKE MASTER
main04493-21010i199711
main04493-2B010i199708
main04493-2B010i199912
47201CYLINDER SUB-ASSY, BRAKE MASTER
main47201-21010i199711
main47201-2B130i199708
main47201-2B140i199708
main47201-2B140i199912
47202RESERVOIR SUB-ASSY, BRAKE MASTER CYLINDER
main47220-20170i199708
main47220-20180i199708
main47220-20180i199912
main47220-21010i199711
47210JGASKET(FOR MASTER CYLINDER)
main90430-06104i199708-199912
47210TBOLT(FOR BRAKE MASTER CYLINDER)
main90109-06077i199708-199912
47230CAP ASSY, BRAKE MASTER CYLINDER RESERVOIR FILLER
main47230-12040i199708
47255GROMMET, MASTER CYLINDER RESERVOIR
main47255-16010i199708
47264CLEVIS, MASTER CYLINDER PUSH ROD
main47264-20060i199708
47265BOOT, MASTER CYLINDER
main47265-20050i199708
47275GASKET, BRAKE MASTER CYLINDER
main47275-12020i199708
main47275-32010i199708
47299STRAINER, BRAKE MASTER CYLINDER RESERVOIR
main47299-24010i199708
9014940006
9017908146
9017910065

14 parts on this diagram · 3 diagrams in section

BRAKE MASTER CYLINDER — Toyota Parts Diagram with OEM Numbers & Prices | EPC Data