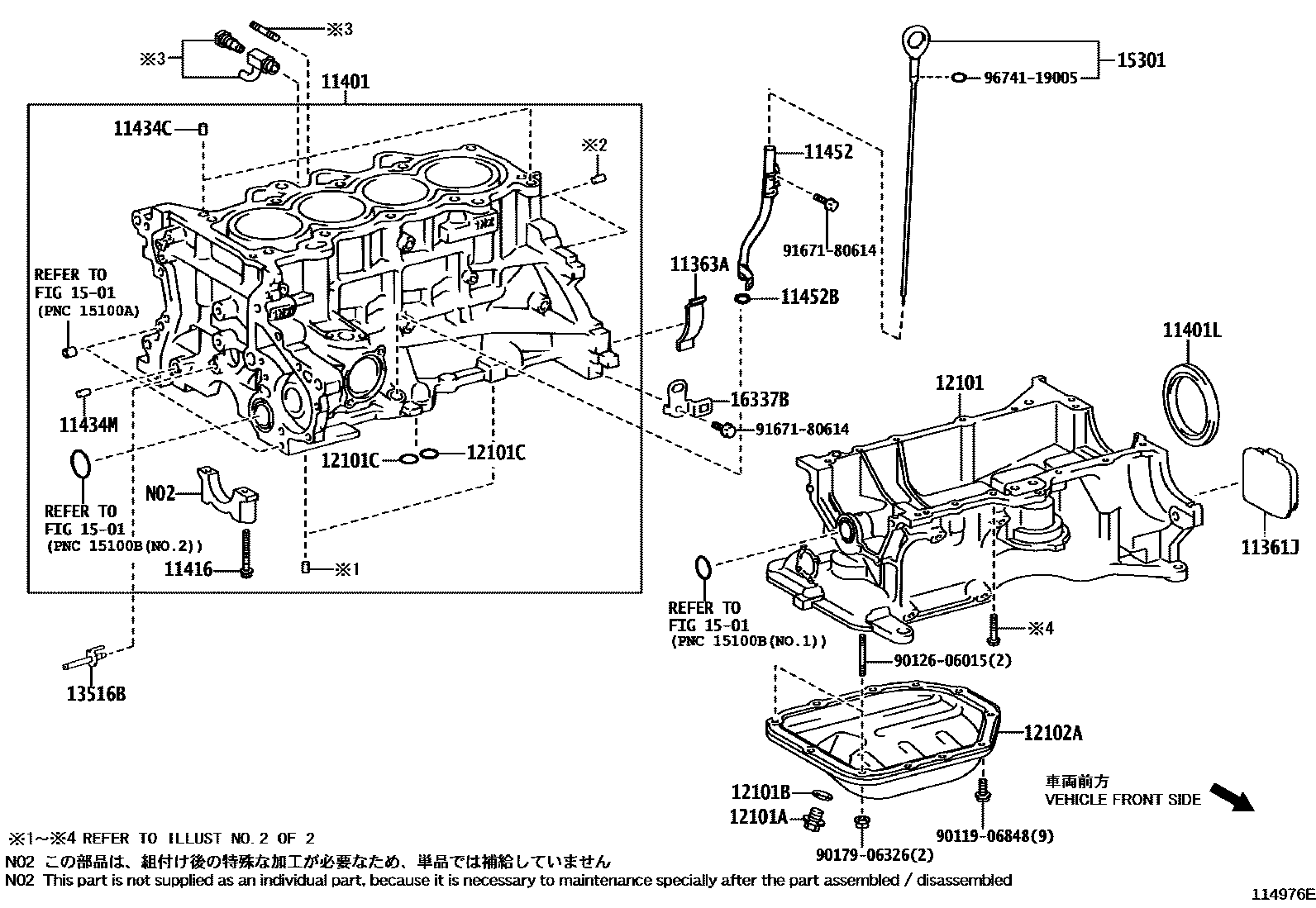
CYLINDER BLOCK

11361JCOVER, FLYWHEEL HOUSING UNDER
11363ACOVER, FLYWHEEL HOUSING SIDE
11401BLOCK SUB-ASSY, CYLINDER
sub11401-29866
sub11401-29867
sub11401-80882
sub11410-09456
sub11410-39055
sub11410-39036
sub11410-39037
sub11410-39038
sub11410-39057
sub11410-39245
sub11410-39245
sub11410-39057
sub11410-39035
sub11410-39246
11434CPIN, STRAIGHT (FOR CYLINDER HEAD SET)
11434MPIN, STRAIGHT(FOR CHAIN TENSIONER)
11452BRING, O(FOR OIL LEVEL GAGE GUIDE)
12101APLUG(FOR OIL PAN DRAIN)
12101BGASKET(FOR OIL PAN DRAIN PLUG)
12101CRING, O(FOR OIL PAN)
12102APAN SUB-ASSY, OIL, NO.2
1501
15301GAGE SUB-ASSY, OIL LEVEL
sub15301-21040
sub15301-21060
sub15301-21061
sub15301-21062
sub15301-37010
sub15301-37020
16337BSTAY, WATER OUTLET, NO.1
9011906848
main90119-06848
9012606015
main90126-06015
9017906326
main90179-06326
9167180614
main91671-80614
9674119005
main96741-19005
23 parts on this diagram · 4 diagrams in section