HEATING & AIR CONDITIONING - HEATER UNIT & BLOWER

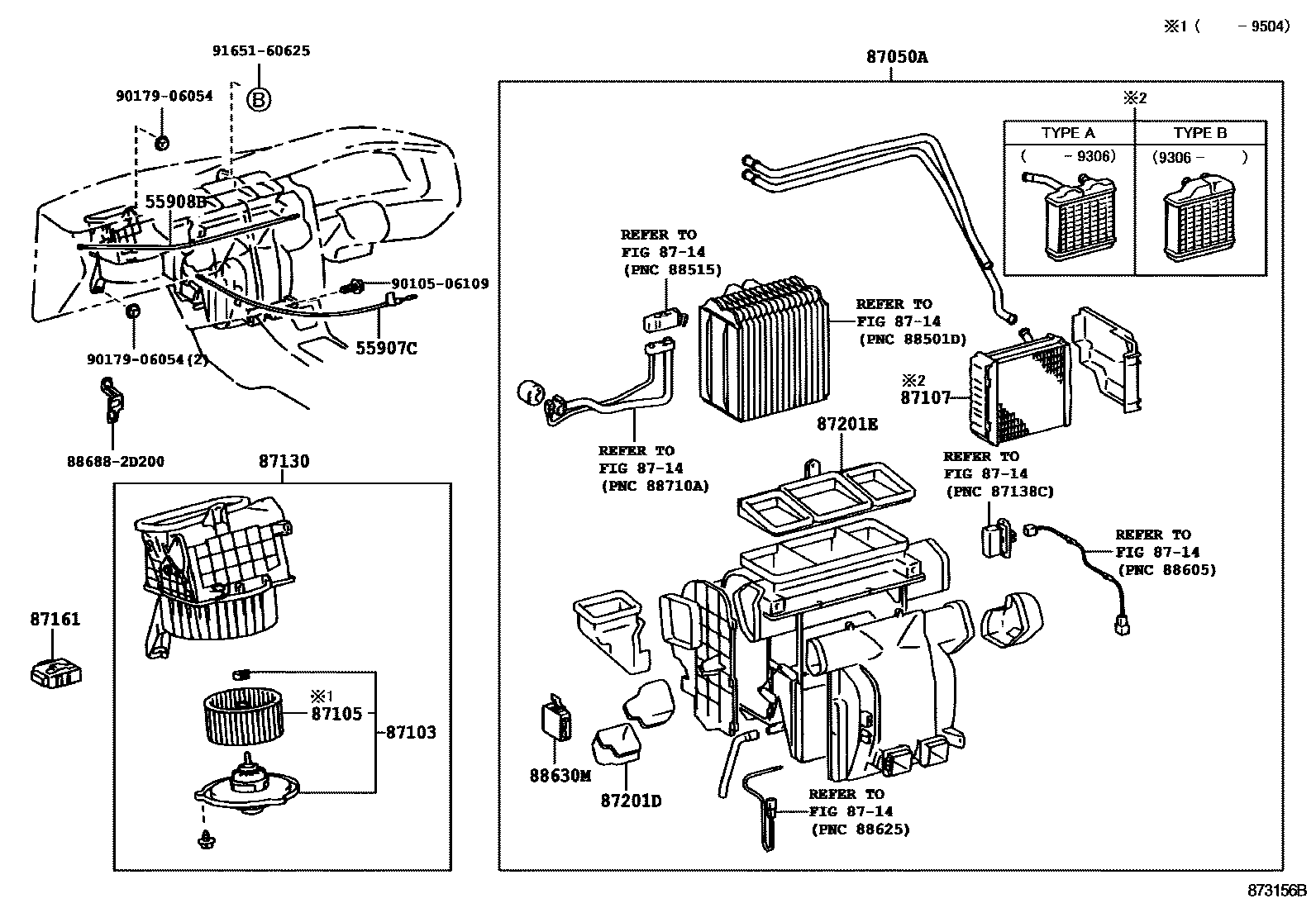
55907CCABLE SUB-ASSY, WATER VALVE CONTROL
55908BCABLE SUB-ASSY, AIR INLET DAMPER CONTROL
87050ARADIATOR ASSY, AIR CONDITIONER
87103MOTOR SUB-ASSY, HEATER BLOWER, W/FAN
87105FAN SUB-ASSY, HEATER BLOWER
sub87103-22110
87107UNIT SUB-ASSY, HEATER RADIATOR
8714
87161AMPLIFIER, HEATER SERVO MOTOR
87201DDUCT SUB-ASSY, AIR
87201EDUCT SUB-ASSY, AIR, NO.2
88630MRELAY ASSY, COOLER
886882D200BRACKET, COOLER DIAPHRAGM
main88688-2D200
9010506109
main90105-06109
9017906054
main90179-06054
9165160625
main91651-60625
16 parts on this diagram · 2 diagrams in section