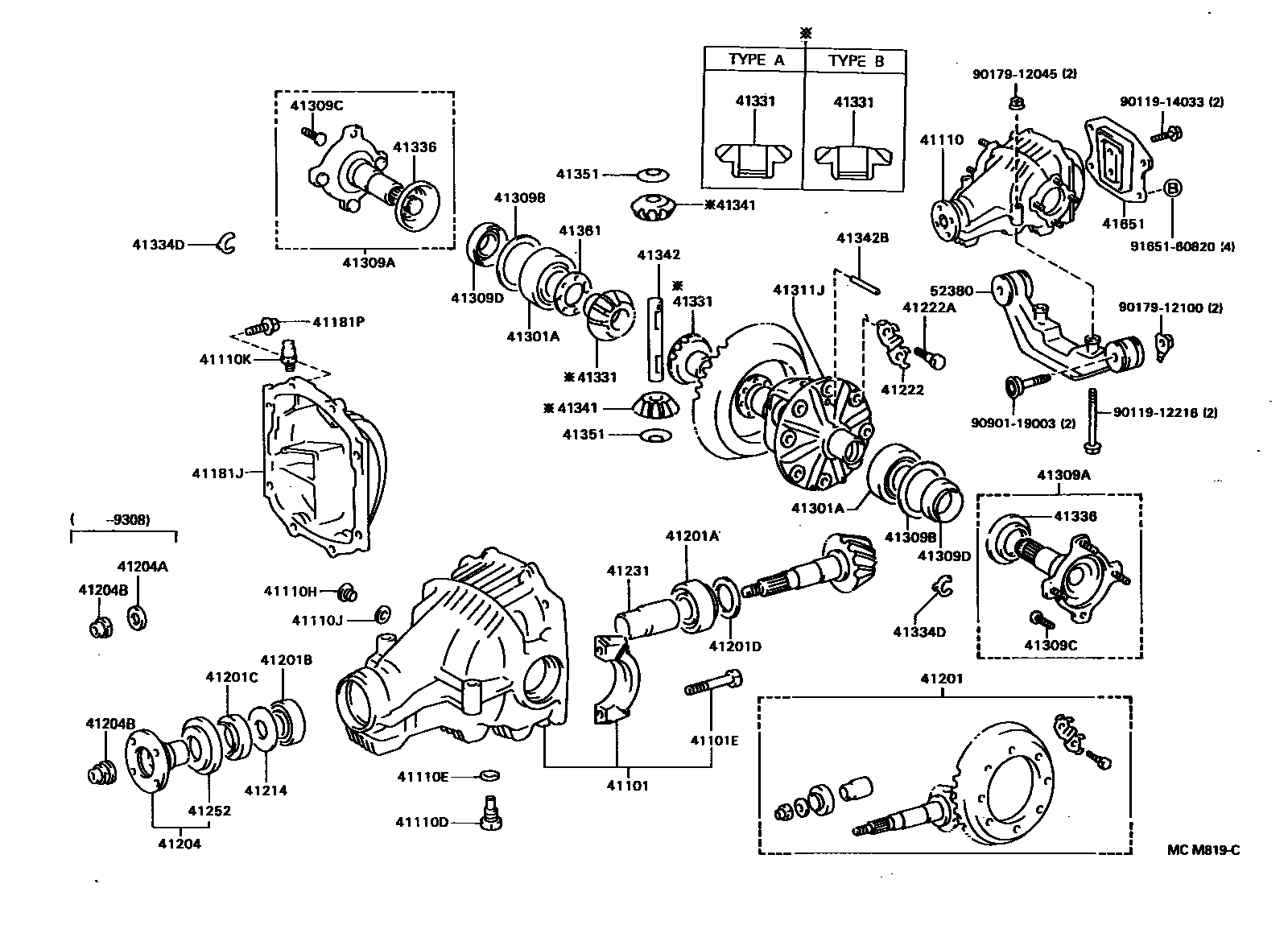
REAR AXLE HOUSING & DIFFERENTIAL

41101CARRIER SUB-ASSY, DIFFERENTIAL, REAR
41101EBOLT (FOR REAR DIFFERENTIAL CARRIER)
41110CARRIER ASSY, DIFFERENTIAL, REAR
41110DPLUG (FOR REAR DIFFERENTIAL DRAIN)
41110EGASKET (FOR REAR DIFFERENTIAL DRAIN PLUG)
41110HPLUG (FOR REAR DIFFERENTIAL FILLER)
41110JGASKET (FOR REAR DIFFERENTIAL FILLER PLUG)
41110KPLUG, BREATHER (FOR REAR DIFFERENTIAL)
41181JCOVER, REAR DIFFERENTIAL CARRIER
sub41181-21010
41201ABEARING (FOR REAR DRIVE PINION REAR)
sub90366-34019
41201BBEARING (FOR REAR DRIVE PINION FRONT)
41201CSEAL, OIL (FOR REAR DIFFERENTIAL CARRIER)
sub90311-38068
41201DWASHER, PLATE (FOR REAR DIFFERENTIAL DRIVE PINION)
41204FLANGE SUB-ASSY, REAR DRIVE PINION COMPANION, REAR
41204AWASHER, PLATE (FOR REAR DRIVE PINION)
41204BNUT (FOR REAR DRIVE PINION)
41214SLINGER, REAR DIFFERENTIAL DRIVE PINION OIL
41222PLATE, REAR DIFFERENTIAL RING GEAR SET BOLT LOCK
41222ABOLT (FOR REAR DIFFERENTIAL RING GEAR SET)
41231SPACER, REAR DIFFERENTIAL DRIVE PINION BEARING
41252DEFLECTOR, DUST (FOR REAR DIFFERENTIAL)
41301ABEARING(FOR REAR DIFFERENTIAL CASE)
41309ASHAFT SUB-ASSY, REAR DIFFERENTIAL SIDE GEAR
41309BWASHER, PLATE (FOR REAR DIFFERENTIAL SIDE GEAR SHAFT)
41309CBOLT (FOR REAR DIFFERENTIAL SIDE GEAR SHAFT)
41309DSEAL OIL (FOR REAR DIFFERENTIAL SIDE GEAR SHAFT)
sub90311-35032
41311JCASE, REAR DIFFERENTIAL
41334DRING, SHAFT SNAP (FOR REAR DIFFERENTIAL SIDE GEAR SHAFT)
41336COVER, DUST(FOR REAR DIFFERENTIAL SIDE GEAR SHAFT)
41342SHAFT, REAR DIFFERENTIAL PINION
41342BPIN, STRAIGHT (FOR REAR DIFFERENTIAL PINION SHAFT)
41351WASHER, REAR DIFFERENTIAL PINION THRUST
41361WASHER, REAR DIFFERENTIAL SIDE GEAR THRUST, NO.1
41651CUSHION, REAR DIFFERENTIAL MOUNT, NO.1
52380SUPPORT, REAR DIFFERENTIAL, NO.1
9011912216
main90119-12216
9011914033
main90119-14033
9017912045
main90179-12045
9017912100
main90179-12100
9090119003
main90901-19003
9165160820
main91651-60820
45 parts on this diagram · 1 diagram in section