E
EPC Data

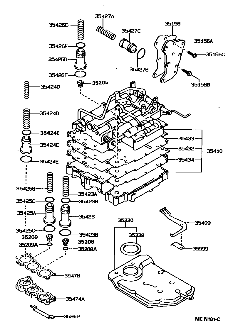
VALVE BODY & OIL STRAINER (ATM)

Parts diagram
35156APLATE, TRANSMISSION CASE, NO.2
main35108-20070i199202-199601
main35156-20010i199202-199601
35156BBOLT(FOR TRANSMISSION CASE NO.2 PLATE)
main90105-06049i199202-199601
35156CSCREW(FOR TRANSMISSION CASE NO.2 PLATE)
main90149-60041i199202-199601
35158GASKET, TRANSMISSION CASE, NO.2 PLATE
main35158-20020i199202-199601
35205SPRING SUB-ASSY, C-3 ACCUMULATOR
main35205-20010i199202-199601
35208SPRING SUB-ASSY, B-2 ACCUMULATOR
main35205-20030i199305-199601
main35208-20040i199202-199601
main35209-20010i199202-199305
main35209-20020i199202-199601
35208ARING, HOLE SNAP (FOR B-2 ACCUMULATOR SPRING)
main90521-22004i199202-199601
35209SPRING SUB-ASSY, C-2 ACCUMULATOR
main35209-20010i199202-199601
main35209-20020i199202-199601
35209ARING, HOLE SNAP (FOR C-2 ACCUMULATOR SPRING)
main90521-22004i199202-199601
35330STRAINER ASSY, VALVE BODY OIL
main35330-12020i199202-199601
main35330-12030i199305-199601
main35330-32030i199202-199404
main35330-32031i199404-199601
35339GASKET, OIL STRAINER
main35339-12010i199202-199601
main35339-12020i199305-199601
main35339-32020i199202-199601
35409SPRING SUB-ASSY, MANUAL DETENT
main35409-12030i199305-199601
main35409-20010i199202-199601
main35409-32030i199202-199601
35410BODY ASSY, TRANSMISSION VALVE
main35410-12391i199202-199510
main35410-20282i199202-199402
main35410-20300i199202-199305
main35410-20322i199305-199601
main35410-20390i199402-199408
main35410-20391i199408-199601
main35410-20400i199402-199408
main35410-20401i199408-199601
main35410-20410i199510-199601
main35410-32151i199202-199209
main35410-32152i199209-199309
main35410-32153i199309-199403
main35410-32154i199403-199501
main35410-32155i199501-199601
35423PISTON, B-2 ACCUMULATOR
main35403-32010i199202-199408
main35403-33010i199408-199601
main35423-12010i199305-199601
main35423-20030i199202-199601
35423ASPRING, COMPRESSION (FOR B-2 ACCUMULATOR PISTON)
main90501-20135i199305-199601
main90501-21019i199202-199601
main90501-23110i199202-199601
main90501-23113i199202-199601
main90501-25031i199202-199412
35423BRING, O (FOR B-2 ACCUMULATOR PISTON)
main90301-21006i199202-199601
main90301-22185i199202-199601
main90301-29187i199202-199601
main90301-30005i199202-199601
35424CPISTON, C-1 ACCUMULATOR
main35424-12030i199305-199601
main35424-20010i199202-199305
main35424-20030i199202-199601
main35424-32021i199202-199601
35424DSPRING, COMPRESSION (FOR C-1 ACCUMULATOR PISTON)
main90501-18101i199202-199402
main90501-19023i199402-199601
main90501-19026i199402-199601
main90501-20136i199305-199601
main90501-23065i199202-199305
main90501-23127i199202-199601
main90501-24027i199305-199601
main90501-25044i199202-199402
main90501-25044i199402-199601
main90501-26062i199202-199305
main90501-29028i199202-199601
35424ERING, O (FOR C-1 ACCUMULATOR PISTON)
main90301-23194i199202-199601
main90301-29187i199202-199601
main90301-30005i199202-199601
main90301-36006i199202-199601
35425APISTON, C-2 ACCUMULATOR
main35405-32010i199202-199601
main35425-12030i199202-199305
main35425-12040i199305-199601
main35425-20020i199202-199601
35425BSPRING, COMPRESSION (FOR C-2 ACCUMULATOR PISTON)
main90501-20094i199202-199601
main90501-20130i199202-199601
main90501-22018i199202-199601
main90501-23124i199305-199601
35425CRING, O (FOR C-2 ACCUMULATOR PISTON)
main90301-23194i199202-199601
main90301-25002i199202-199601
main90301-26190i199202-199601
main90301-29187i199202-199601
main90301-34007i199202-199601
35426DPISTON, C-3 ACCUMULATOR
main35426-12030i199305-199601
main35426-20020i199202-199601
35426ESPRING, COMPRESSION (FOR C-3 ACCUMULATOR PISTON)
main90501-20134i199305-199601
main90501-23113i199202-199601
main90501-23129i199305-199601
35426FRING, O (FOR C-3 ACCUMULATOR PISTON)
main90301-20002i199202-199601
main90301-22185i199305-199601
main90301-29187i199202-199601
35427ASPRING, COMPRESSION (FOR B-4 ACCUMULATOR PISTON)
main90501-26040i199202-199601
main90501-26078i199206-199601
35427BRING, O (FOR B-4 ACCUMULATOR PISTON)
main90301-22185i199202-199601
35427CPISTON, B-4 ACCUMULATOR
main35427-12010i199202-199601
35432PLATE, VALVE BODY, NO.1
main35432-12190i199305-199601
main35432-18010i199202-199601
main35432-20200i199202-199402
main35432-20230i199202-199305
main35432-20270i199402-199408
main35432-20280i199402-199408
main35432-20310i199408-199601
main35432-20320i199408-199601
main35432-32092i199403-199502
main35432-32093i199502-199601
35433GASKET, VALVE BODY, NO.1
main35433-12020i199402-199408
main35433-12050i199305-199601
main35433-16030i199408-199601
main35433-20030i199202-199601
main35433-42010i199403-199601
35434GASKET, VALVE BODY, NO.2
main35434-12010i199402-199408
main35434-12030i199305-199601
main35434-16030i199408-199601
main35434-20010i199202-199601
main35434-42010i199403-199601
35474ACOVER, ACCUMULATOR
main35474-12010i199202-199601
main35474-32030i199202-199601
35478GASKET, ACCUMULATOR COVER
main35478-32010i199202-199601
main35478-32020i199202-199601
35599COVER, MANUAL DETENT SPRING
main35599-12010i199202-199601
main35599-12020i199305-199601
main35599-32020i199202-199601
35862BRACKET, ACCUMULATOR APPLY TUBE
main35862-12020i199202-199601
main35862-32020i199202-199601

35 parts on this diagram · 19 diagrams in section

VALVE BODY & OIL STRAINER (ATM) — Toyota Parts Diagram with OEM Numbers & Prices | EPC Data