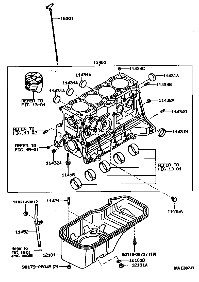
CYLINDER BLOCK

11415COCK SUB-ASSY, WATER DRAIN(FOR CYLINDER BLOCK)
11415APLUG, WATER DRAIN COCK(FOR CYLINDER BLOCK)
11416BOLT(FOR CRANKSHAFT BEARING CAP SET)
11421BOLT, STUD(FOR OIL PAN)
11431APLUG, TIGHT, NO.1(FOR CYLINDER BLOCK)
11431BPLUG, TIGHT, NO.2(FOR CYLINDER BLOCK)
11432APLUG, W/HEAD TAPER SCREW, NO.1
11434BPIN, STRAIGHT(FOR CLUTCH HOUSING SET)
11434CPIN, STRAIGHT (FOR CYLINDER HEAD SET)
11434DPIN, STRAIGHT(FOR ENGINE REAR OIL SEAL)
11452GUIDE, OIL LEVEL GAGE
12101PAN SUB-ASSY, OIL
12101APLUG(FOR OIL PAN DRAIN)
12101BGASKET(FOR OIL PAN DRAIN PLUG)
1301
1302
1501
15301GAGE SUB-ASSY, OIL LEVEL
9011906727
main90119-06727
9017906045
main90179-06045
9162160612
main91621-60612
22 parts on this diagram · 4 diagrams in section