E
EPC Data

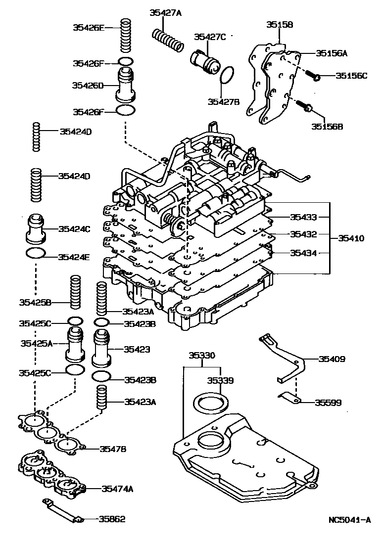
VALVE BODY & OIL STRAINER (ATM)

Parts diagram
35156APLATE, TRANSMISSION CASE, NO.2
main35156-20010i198712-199202
35156BBOLT(FOR TRANSMISSION CASE NO.2 PLATE)
main90105-06049i198712-199211
35156CSCREW(FOR TRANSMISSION CASE NO.2 PLATE)
main90149-60041i198712-199211
35158GASKET, TRANSMISSION CASE, NO.2 PLATE
main35158-12010i198712-198911
main35158-20020i198911-199202
35330STRAINER ASSY, VALVE BODY OIL
main35330-12010i198712-198804
main35330-12011i198804-199003
main35330-12020i198808-199211
main35330-20010i198712-198903
main35330-20011i198903-198911
main35330-20012i198911-199211
main35330-32020i198712-198808
main35330-32021i198808-198911
main35330-32022i198911-199202
35339GASKET, OIL STRAINER
main35339-12010i198712-199211
main35339-32010i198712-199211
35409SPRING SUB-ASSY, MANUAL DETENT
main35409-12010i198712-198808
main35409-20010i198808-199211
main35409-32020i198712-198808
main35409-32030i198808-199211
35410BODY ASSY, TRANSMISSION VALVE
main35410-12163i198808-199202
main35410-12320i199005-199112
main35410-12321i199112-199203
main35410-12440i199203-199211
main35410-20080i198712-198803
main35410-20091i198712-198803
main35410-20092i198803-199201
main35410-20093i199201-199211
main35410-20120i198712-199202
main35410-20180i198712-199006
main35410-20190i198712-198911
main35410-20210i198911-199202
main35410-20231i198803-199202
main35410-32140i199006-199202
35423PISTON, B-2 ACCUMULATOR
main35403-20010i198911-199211
main35403-20020i198908-198911
main35423-20010i198808-199211
main35423-32010i198712-199201
main35423-32010i199201-199202
main35423-32020i198712-198908
35423ASPRING, COMPRESSION (FOR B-2 ACCUMULATOR PISTON)
main90501-14101i198808-199202
main90501-16109i198712-198908
main90501-16124i198908-198911
main90501-20089i198712-198908
main90501-20114i199005-199112
main90501-20115i198911-199006
main90501-21017i199112-199211
main90501-22013i198712-198908
main90501-22020i198908-198911
main90501-23062i198712-199005
main90501-23081i198712-198908
main90501-23098i198911-199202
main90501-23106i198908-198911
main90501-23116i199006-199202
main90501-24016i199006-199202
main90501-26014i198712-199006
main90501-26041i198712-199211
main90501-26048i198808-199202
main90501-28002i198712-198911
35423BRING, O (FOR B-2 ACCUMULATOR PISTON)
main90301-22185i198712-199211
main90301-22185i199005-199112
main90301-29187i198712-199211
35424CPISTON, C-1 ACCUMULATOR
main35424-20010i198712-199202
main35424-20020i198908-199211
main35424-20030i199201-199211
main35424-32010i198712-199102
main35424-32010i198810-198908
35424DSPRING, COMPRESSION (FOR C-1 ACCUMULATOR PISTON)
main90501-18084i199007-199211
main90501-18089i199001-199007
main90501-19023i199201-199202
main90501-19023i199201-199202
main90501-20118i199001-199202
main90501-22005i198712-199001
main90501-23044i198712-199001
main90501-23058i198712-199202
main90501-23065i198712-199202
main90501-23078i198712-199002
main90501-23100i199002-199102
main90501-23115i199101-199201
main90501-24007i198808-198911
main90501-24018i199007-199202
main90501-25044i199201-199211
main90501-25044i199201-199202
main90501-26053i198808-199202
main90504-23001i198908-199001
35424ERING, O (FOR C-1 ACCUMULATOR PISTON)
main90301-23194i198908-199211
main90301-29187i198810-198908
main90301-29187i198712-199211
main90301-29187i198908-199211
main90301-29187i199104-199202
35425APISTON, C-2 ACCUMULATOR
main35405-12010i199112-199211
main35405-20010i198911-199202
main35425-12020i198712-199202
main35425-20030i199201-199211
main35425-32010i198810-198911
main35425-32010i198712-199202
35425BSPRING, COMPRESSION (FOR C-2 ACCUMULATOR PISTON)
main90501-20090i198712-198911
main90501-22017i198911-199202
main90501-22021i198911-199202
main90501-23042i198712-199202
main90501-23057i198712-199211
main90501-23062i198712-199112
main90501-23063i198712-199202
main90501-23120i199112-199211
35425CRING, O (FOR C-2 ACCUMULATOR PISTON)
main90301-23194i198712-199211
main90301-23194i199201-199202
main90301-26190i198712-199211
main90301-26190i199201-199202
main90301-29187i198712-199211
35426DPISTON, C-3 ACCUMULATOR
main35426-12020i198712-199211
35426ESPRING, COMPRESSION (FOR C-3 ACCUMULATOR PISTON)
main90501-23050i198712-199211
35426FRING, O (FOR C-3 ACCUMULATOR PISTON)
main90301-20002i198712-199211
main90301-29187i198712-199211
35427ASPRING, COMPRESSION (FOR B-4 ACCUMULATOR PISTON)
main90501-26040i198712-199211
35427BRING, O (FOR B-4 ACCUMULATOR PISTON)
main90301-22185i198712-199211
35427CPISTON, B-4 ACCUMULATOR
main35427-12010i198712-199211
35432PLATE, VALVE BODY, NO.1
main35432-12120i198808-199202
main35432-18010i199201-199211
main35432-20031i198712-199005
main35432-20040i198712-199202
main35432-20080i198712-198905
main35432-20081i198905-199202
main35432-20090i198712-198905
main35432-20091i198905-199006
main35432-20110i198712-199201
main35432-20140i198712-198905
main35432-20141i198905-198911
main35432-20150i198911-199202
main35432-20220i199005-199211
main35432-32080i199006-199202
35433GASKET, VALVE BODY, NO.1
main35433-12040i198808-199202
main35433-20020i198712-199211
main35433-20030i198712-199211
main35433-20040i198712-199202
main35433-32020i198712-199202
35434GASKET, VALVE BODY, NO.2
main35434-12020i198808-199202
main35434-20010i198712-199211
main35434-20020i198712-199202
main35434-32020i198712-199211
35474ACOVER, ACCUMULATOR
main35474-12010i198712-199211
main35474-20010i198908-199211
main35474-32010i198712-198912
main35474-32020i198712-198908
35478GASKET, ACCUMULATOR COVER
main35478-32010i198712-199211
35599COVER, MANUAL DETENT SPRING
main35599-12010i198712-199211
main35599-32010i198712-199211
35862BRACKET, ACCUMULATOR APPLY TUBE
main35862-12020i198712-199211
main35862-32011i198712-199211

30 parts on this diagram · 18 diagrams in section

VALVE BODY & OIL STRAINER (ATM) — Toyota Parts Diagram with OEM Numbers & Prices | EPC Data