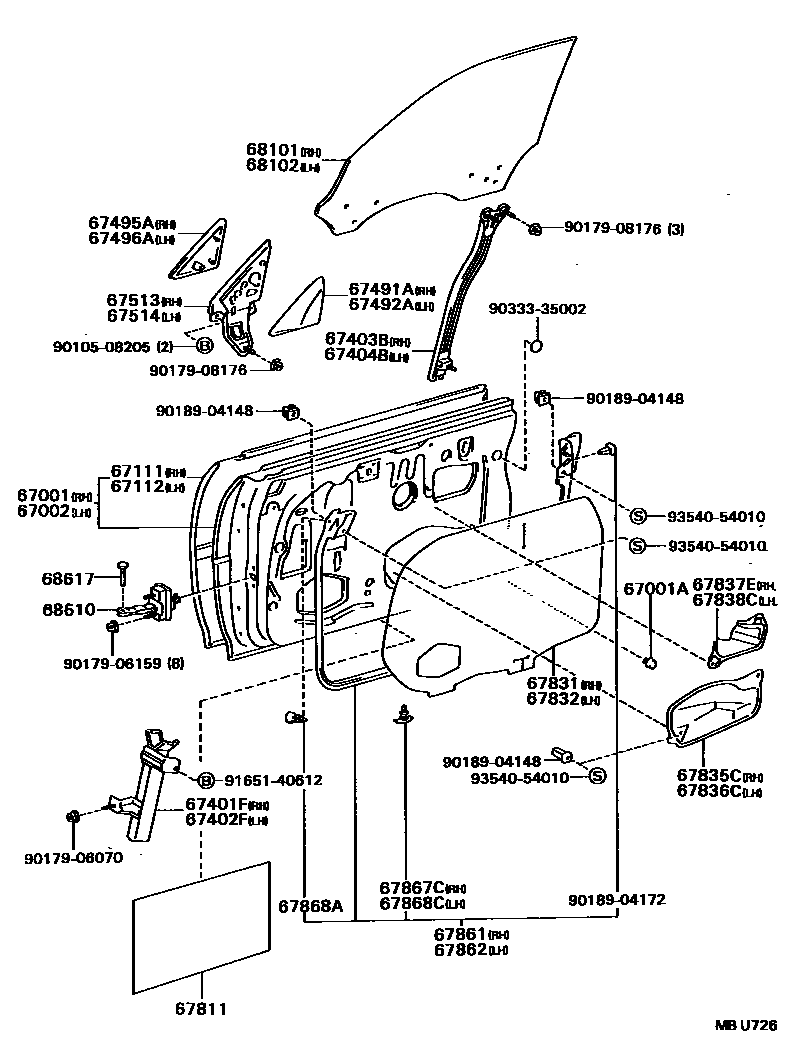
FRONT DOOR PANEL & GLASS

67001PANEL SUB-ASSY, FRONT DOOR, RH
67001ACUSHION, FRONT DOOR PANEL
A51-A54
A41,A42
67002PANEL SUB-ASSY, FRONT DOOR, LH
67111PANEL, FRONT DOOR, OUTER RH
67112PANEL, FRONT DOOR, OUTER LH
67401FFRAME SUB-ASSY, FRONT DOOR, FRONT LOWER RH
67402FFRAME SUB-ASSY, FRONT DOOR, FRONT LOWER LH
67403BGUIDE SUB-ASSY, FRONT DOOR WINDOW, REAR RH
67404BGUIDE SUB-ASSY, FRONT DOOR WINDOW, REAR LH
67491AGARNISH, FRONT DOOR LOWER FRAME BRACKET, RH
67492AGARNISH, FRONT DOOR LOWER FRAME BRACKET, LH
67495ACOVER, FRONT DOOR FRONT LOWER FRAME, UPPER RH
67496ACOVER, FRONT DOOR FRONT LOWER FRAME, UPPER LH
67513BRACKET, FRONT DOOR MIRROR, RH
67514BRACKET, FRONT DOOR MIRROR, LH
67811PAD, FRONT DOOR SILENCER
67831COVER, FRONT DOOR SERVICE HOLE, RH
67832COVER, FRONT DOOR SERVICE HOLE, LH
67835CCOVER, FRONT DOOR SERVICE HOLE, NO.3 RH
67836CCOVER, FRONT DOOR SERVICE HOLE, NO.3 LH
67837ECOVER, FRONT DOOR SERVICE HOLE, NO.4 RH
67838CCOVER, FRONT DOOR SERVICE HOLE, NO.4 LH
67861WEATHERSTRIP, FRONT DOOR, RH
67862WEATHERSTRIP, FRONT DOOR, LH
67867CRETAINER, FRONT DOOR WEATHERSTRIP, RH
sub67867-12150
67868ACLIP, DOOR GLASS WEATHERSTRIP(FOR FRONT DOOR)
67868CRETAINER, FRONT DOOR WEATHERSTRIP, LH
sub67867-12150
68101GLASS SUB-ASSY, FRONT DOOR, RH
68102GLASS SUB-ASSY, FRONT DOOR, LH
68610CHECK ASSY, FRONT DOOR
68617PIN, FRONT DOOR CHECK
9010508205
main90105-08205
9017906070
main90179-06070
9017906159
main90179-06159
9017908176
main90179-08176
9018904148
main90189-04148
9018904172
main90189-04172
9033335002
main90333-35002
9165140612
main91651-40612
9354054010
main93540-54010
40 parts on this diagram · 2 diagrams in section