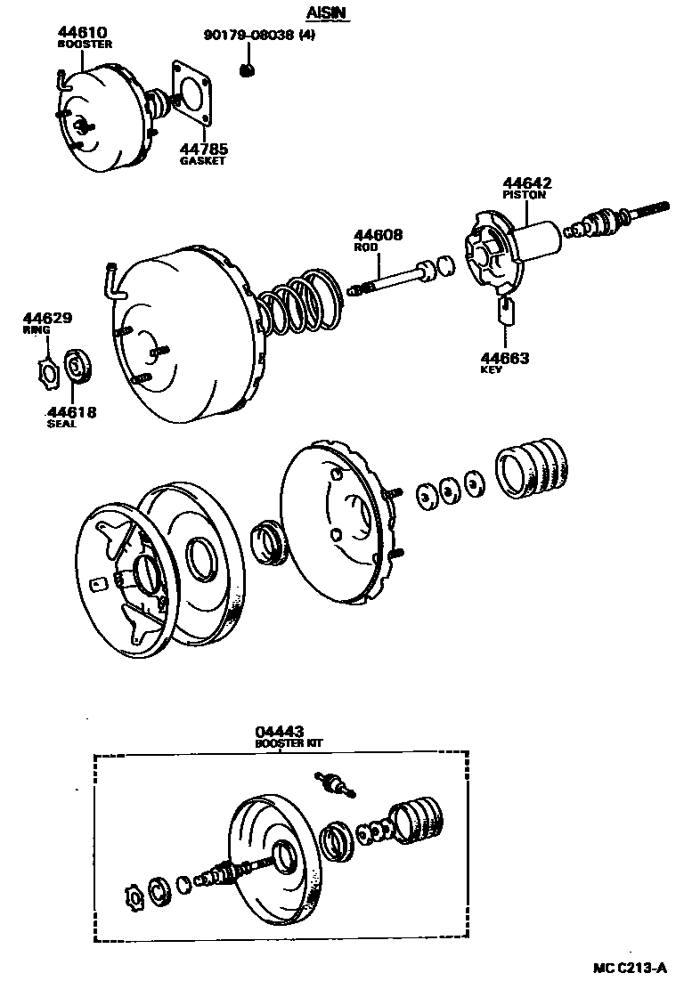
BRAKE BOOSTER & VACUUM TUBE

04443BOOSTER KIT, BRAKE
AISIN
AISIN
JKC
JKC
AISIN
JKC
44608PUSH ROD SUB-ASSY, BOOSTER
AISIN
JKC
44610BOOSTER ASSY, BRAKE
44618SEAL, BOOSTER BODY
44629RING, CIRCULAR INTERNAL
44642PISTON, BRAKE BOOSTER
44663KEY, VALVE STOPPER
44785GASKET, BRAKE BOOSTER
9017908038
9 parts on this diagram · 4 diagrams in section