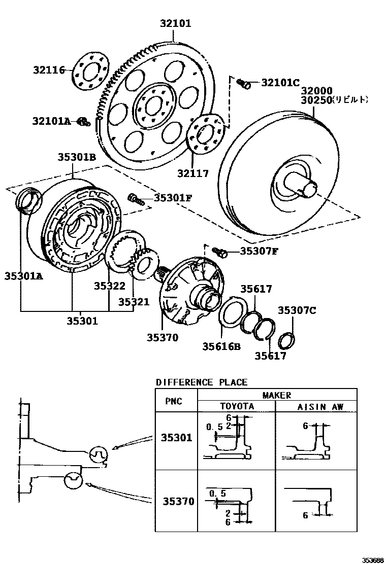
TORQUE CONVERTER, FRONT OIL PUMP & CHAIN (ATM)

30250CONVERTER ASSY, TORQUE, REBUILT
32000CONVERTER ASSY, TORQUE
32101ABOLT(FOR DRIVE PLATE & TORQUE CONVERTER SETTING)
32116SPACER, DRIVE PLATE, FRONT
32117SPACER, DRIVE PLATE, REAR
35301ASEAL, OIL (FOR FRONT OIL PUMP)
35301BRING, O (FOR FRONT OIL PUMP BODY)
35301FBOLT (FOR FRONT OIL PUMP SETTING)
35307CRACE, THRUST BEARING (FOR STATOR SHAFT)
35307FBOLT (FOR STATOR SHAFT)
35616BWASHER, CLUTCH DRUM THRUST (FOR STATOR SHAFT)
35617RING, CLUTCH DRUM OIL SEAL
18 parts on this diagram · 1 diagram in section