E
EPC Data

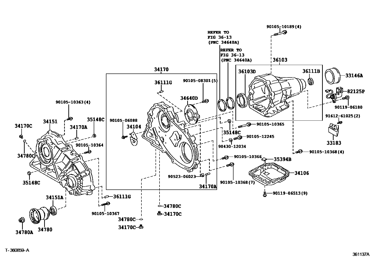
TRANSFER CASE & EXTENSION HOUSING

Parts diagram
33146ADEFLECTOR, TRANSFER EXTENSION HOUSING DUST
main33146-30020i200508-201008
33183DAMPER, TRANSFER DYNAMIC
main33183-30070i200508-201008
34104VALVE SUB-ASSY, TRANSFER BAFFLE
main34104-30010i200508-201008
34106PAN SUB-ASSY, TRANSFER OIL
main34161-30010i200508-201008
34151CASE, TRANSFER CHAIN, FRONT
main34151-30011i200508-201008
34151ASEAL, OIL (FOR TRANSFER CHAIN CASE)
main90311-42029i200508-201008
34170CASE ASSY, TRANSFER CHAIN, REAR
main34170-30010i200508-201008
34170APIN, STRAIGHT (FOR TRANSFER CHAIN CASE)
main90249-10191i200508-201008
main90250-10007i200508-201008
34170CPLUG (FOR TRANSFER CHAIN CASE)
main90341-08001i200508-201008
34640DSUPPORT ASSY, TRANSFER CENTER
main34640-30010i200508-201008
34780YOKE ASSY, FLANGE
main34780-30040i200508-201008
34780ANUT (FOR FLANGE YOKE)
main90179-22018i200508-201008
34780CRING, O (FOR FLANGE YOKE)
main90301-06196i200508-201008
35148CGASKET, GOVERNOR APPLY (FOR ATM TRANSFER CHAIN CASE)
main35148-12010i200508-201008
35394BMAGNET, OIL CLEANER (FOR TRANSFER)
main35394-30011i200508-201008
36103CASE SUB-ASSY, TRANSFER
main36101-22010i200508-201008
36103DBEARING (FOR TRANSFER CASE)
main90363-60007i200508-201008
36111BSEAL, OIL (FOR TRANSFER CASE)
main90311-40001i200508-201008
36111GPIN, STRAIGHT (FOR TRANSFER CASE)
main90250-10007i200508-201008
main90250-13003i200508-201008
3613TRANSFER DIRECT CLUTCH, LOW BRAKE & SUPPORT
82125PTRANSMISSION WIRE(FOR TRANSFER)
main82125-30440i200508-201304
9010506088
9010508301
9010510189
9010510363
9010510364
9010510365
9010510366
9010510367
9010510368
9010512245
9011906180
9011906513
9043012034
9052306023
9161261025

36 parts on this diagram · 1 diagram in section

TRANSFER CASE & EXTENSION HOUSING — Toyota Parts Diagram with OEM Numbers & Prices | EPC Data