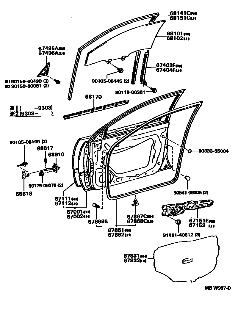
FRONT DOOR PANEL & GLASS

67001PANEL SUB-ASSY, FRONT DOOR, RH
67002PANEL SUB-ASSY, FRONT DOOR, LH
67111PANEL, FRONT DOOR, OUTER RH
67112PANEL, FRONT DOOR, OUTER LH
67151EREINFORCEMENT SUB-ASSY, FRONT DOOR INSIDE PANEL, RH
67152REINFORCEMENT SUB-ASSY, FRONT DOOR INSIDE PANEL, LH
67403FFRAME SUB-ASSY, FRONT DOOR, REAR LOWER RH
67404FFRAME SUB-ASSY, FRONT DOOR, REAR LOWER LH
67495ACOVER, FRONT DOOR FRONT LOWER FRAME, UPPER RH
67496ACOVER, FRONT DOOR FRONT LOWER FRAME, UPPER LH
67831COVER, FRONT DOOR SERVICE HOLE, RH
67832COVER, FRONT DOOR SERVICE HOLE, LH
67861WEATHERSTRIP, FRONT DOOR, RH
67862WEATHERSTRIP, FRONT DOOR, LH
67867CRETAINER, FRONT DOOR WEATHERSTRIP, RH
sub67867-12150
67868CRETAINER, FRONT DOOR WEATHERSTRIP, LH
sub67867-12150
67869BCLIP, FRONT DOOR WEATHERSTRIP
68101GLASS SUB-ASSY, FRONT DOOR, RH
68102GLASS SUB-ASSY, FRONT DOOR, LH
68141CRUN, FRONT DOOR GLASS, RH
68151CRUN, FRONT DOOR GLASS, LH
68170WEATHERSTRIP ASSY, FRONT DOOR GLASS, INNER
68618BRACKET, FRONT DOOR CHECK ARM, RH
9010506145
main90105-06145
9010506199
main90105-06199
9011906361
main90119-06361
9015960081
main90159-60081
9015960490
main90159-60490
9017906070
main90179-06070
9033335004
main90333-35004
9054109006
main90541-09006
9165140612
main91651-40612
34 parts on this diagram · 3 diagrams in section