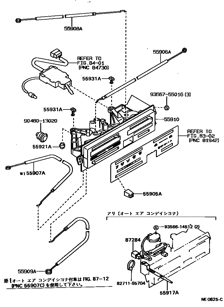
HEATING & AIR CONDITIONING - CONTROL & AIR DUCT

55905AKNOB, HEATER CONTROL
main55905-12130iST170..(SGEXT,SX)..CI;AT17#,CT17#,ET176..(DX,S,SG,STD,SV)..(CBR,DSL,EFI)198805-199211
sub55905-89110
55906ACABLE SUB-ASSY, DEFROSTER DAMPER CONTROL
55908ACABLE SUB-ASSY, AIR INLET DAMPER CONTROL
55909ACABLE SUB-ASSY, AIRMIX DAMPER CONTROL
55910CONTROL ASSY, HEATER OR BOOST VENTILATOR
55917ALEVER, TEMPERATURE DAMPER CONTROL
main55917-20120iAT170,171,CT170..(S,SV)..(DSL,EFI);AT170,ST170..(SG,SGEXT,SX)..(CBR,CI)198805-199211
55921ARETAINER, HEATER CONTROL
55931ASHAFT, HEATER CONTROL LEVER
LH
RH
8302
8401
87284RESISTOR SUB-ASSY, VARIABLE
main88032-20110iAT170,171,CT170..(S,SV)..(DSL,EFI);AT170,ST170..(SG,SGEXT,SX)..(CBR,CI)198805-199211
8271195704WIRE, FUSE TO FUSE(FOR COMBUSTION HEATER)
main82711-95704
9048013020
main90480-13020
9356614512
main93566-14512
9356755016
main93567-55016
16 parts on this diagram · 5 diagrams in section