E
EPC Data

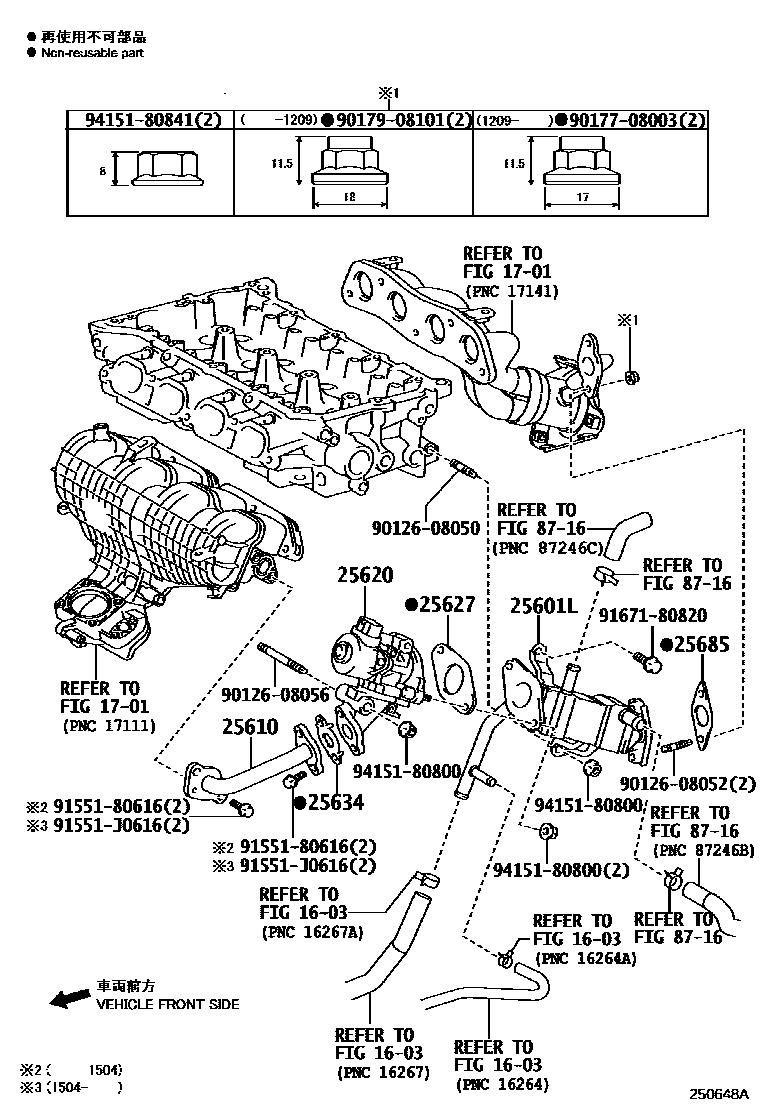
EXHAUST GAS RECIRCULATION SYSTEM

Parts diagram
1603
1701
25601LPIPE SUB-ASSY, EGR W/COOLER
main25601-37010i201104-202103
25610PIPE ASSY, EGR
main25610-37011i201104-201501
main25610-37012i201502-202103
25620VALVE ASSY, EGR
main25620-37110i201104-201206
main25620-37120i201206-202103
25627GASKET, EGR VALVE
main25627-37010i201104-202103
25634GASKET, EGR PIPE
main25634-37010i201104-201501
main25634-37030i201502-202103
25685GASKET, EGR COOLER, NO.1
main25685-37010i201104-202103
8716
9012608050
9012608052
9012608056
9017708003
9017908101
9155180616
91551J0616
9167180820
9415180800
9415180841

19 parts on this diagram · 1 diagram in section

EXHAUST GAS RECIRCULATION SYSTEM — Toyota Parts Diagram with OEM Numbers & Prices | EPC Data