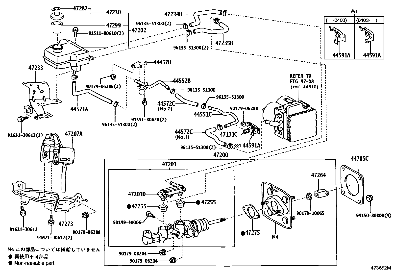
BRAKE MASTER CYLINDER

44457HBRACKET, TUBE SUPPORT
44551CTUBE, BRAKE ACTUATOR, NO.1
44552BTUBE, BRAKE ACTUATOR, NO.2
44572CHOSE, BRAKE ACTUATOR, NO.2
44591ABRACKET, BRAKE ACTUATOR, NO.1
44785CGASKET, BRAKE BOOSTER
4708
47131CCUSHION
47200CYLINDER ASSY, BRAKE MASTER
47201CYLINDER SUB-ASSY, BRAKE MASTER
47201DUNION, BRAKE MASTER CYLINDER, NO.1
47202RESERVOIR SUB-ASSY, BRAKE MASTER CYLINDER
47207ACYLINDER SUB-ASSY, BRAKE STROKE SIMULATOR
47230CAP ASSY, BRAKE MASTER CYLINDER RESERVOIR FILLER
47233BRACKET, RESERVOIR
47234BTUBE, RESERVOIR, NO.1
47235BTUBE, BRAKE MASTER CYRINDER RESERVOIR, NO.2
47255GROMMET, MASTER CYLINDER RESERVOIR
47264CLEVIS, MASTER CYLINDER PUSH ROD
47273BRACKET, BRAKE STROKE SIMULATOR
47275GASKET, BRAKE MASTER CYLINDER
47287LABEL, BRAKE FLUID INFORMATION
47299STRAINER, BRAKE MASTER CYLINDER RESERVOIR
9014940006
main90149-40006
9017906288
main90179-06288
9017908204
main90179-08204
9017910065
main90179-10065
91511B0610
main91511-B0610
9155180620
main91551-80620
91621J0612
main91621-J0612
91631J0612
main91631-J0612
9415080800
main94150-80800
9613551300
main96135-51300
34 parts on this diagram · 1 diagram in section