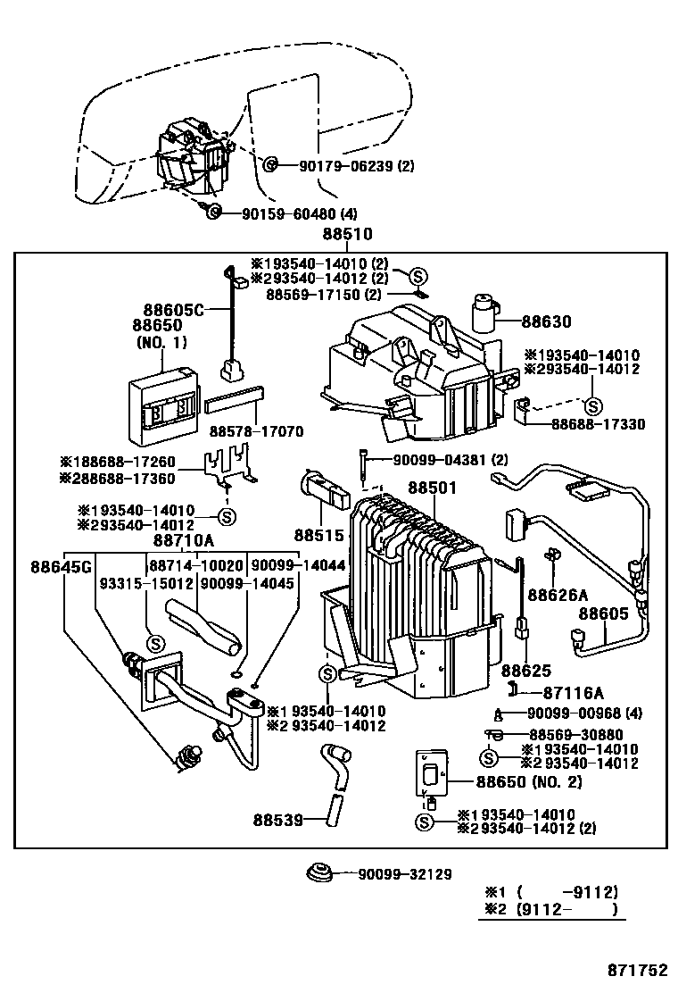
HEATING & AIR CONDITIONING - COOLER UNIT

87116ASPRING, HOLDING (FOR COOLER UNIT CASE)
88501EVAPORATOR SUB-ASSY, COOLER, NO.1
88510UNIT ASSY, COOLER
88539HOSE, COOLER UNIT DRAIN, NO.1
88605HARNESS SUB-ASSY, COOLER WIRING, NO.1
88605CHARNESS SUB-ASSY, COOLER WIRING, NO.2
88626AHOLDER, THERMISTOR
88630RELAY ASSY, COOLER
88645GSWITCH, PRESSURE
88650AMPLIFIER ASSY, COOLER STABILIZER
88710ATUBE ASSY, AIR CONDITIONER
8856917150CLAMP (FOR COOLER RELAY)
main88569-17150
8856930880CLAMP (FOR COOLER RELAY)
main88569-30880
8857817070PAKING, COOLER AIR DUCT
main88578-17070
8868817260BRACKET, COOLER DIAPHRAGM
main88688-17260
8868817330BRACKET, COOLER DIAPHRAGM
main88688-17330
8868817360BRACKET, COOLER DIAPHRAGM
main88688-17360
8871410020HOSE, COOLER REFRIGERANT LIQUID, NO.1
main88714-10020
9009900968
main90099-00968
9009904381
main90099-04381
9009914044
main90099-14044
9009914045
main90099-14045
9009932129
main90099-32129
9015960480
main90159-60480
9017906239
main90179-06239
9331515012
main93315-15012
9354014010
main93540-14010
9354014012
main93540-14012
30 parts on this diagram · 2 diagrams in section