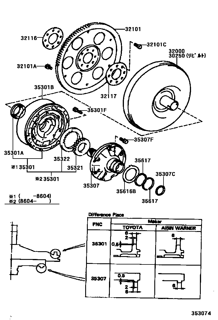
TORQUE CONVERTER, FRONT OIL PUMP & CHAIN (ATM)

30250CONVERTER ASSY, TORQUE, REBUILT
32101ABOLT(FOR DRIVE PLATE & TORQUE CONVERTER SETTING)
32101CBOLT, HEXAGON(FOR DRIVE PLATE SETTING)
32116SPACER, DRIVE PLATE, FRONT
32117SPACER, DRIVE PLATE, REAR
35301BODY SUB-ASSY, FRONT OIL PUMP
AISIN WARNER
35301ASEAL, OIL (FOR FRONT OIL PUMP)
35301BRING, O (FOR FRONT OIL PUMP BODY)
35301FBOLT (FOR FRONT OIL PUMP SETTING)
35307SHAFT SUB-ASSY, STATOR
35307CRACE, THRUST BEARING (FOR STATOR SHAFT)
35307FBOLT (FOR STATOR SHAFT)
35321GEAR, FRONT OIL PUMP DRIVE
sub35321-32050
sub35321-12070
sub35321-12070
sub35321-12090
sub35321-12090
sub35321-12110
sub35321-12110
35322GEAR, FRONT OIL PUMP DRIVEN
sub35322-32050
sub35322-12060
sub35322-12060
sub35322-12080
sub35322-12080
sub35322-12100
sub35322-12100
35616BWASHER, CLUTCH DRUM THRUST (FOR STATOR SHAFT)
18 parts on this diagram · 1 diagram in section