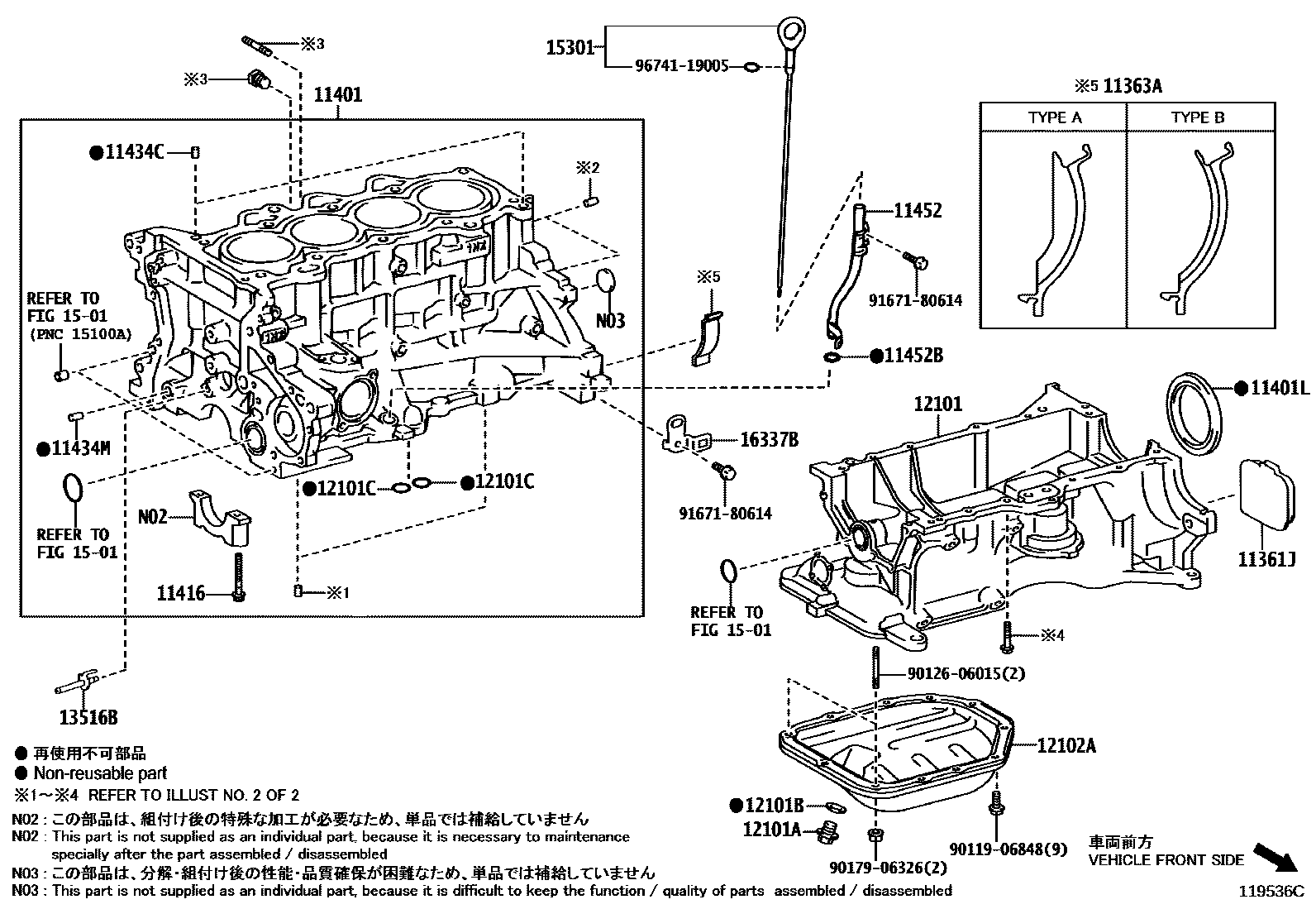
CYLINDER BLOCK

11361JCOVER, FLYWHEEL HOUSING UNDER
11363ACOVER, FLYWHEEL HOUSING SIDE
11434CPIN, STRAIGHT (FOR CYLINDER HEAD SET)
11434MPIN, STRAIGHT(FOR CHAIN TENSIONER)
11452GUIDE, OIL LEVEL GAGE
11452BRING, O(FOR OIL LEVEL GAGE GUIDE)
12101APLUG(FOR OIL PAN DRAIN)
12101BGASKET(FOR OIL PAN DRAIN PLUG)
12101CRING, O(FOR OIL PAN)
12102APAN SUB-ASSY, OIL, NO.2
1501
16337BSTAY, WATER OUTLET, NO.1
9011906848
main90119-06848
9012606015
main90126-06015
9017906326
main90179-06326
9167180614
main91671-80614
9674119005
main96741-19005
23 parts on this diagram · 6 diagrams in section