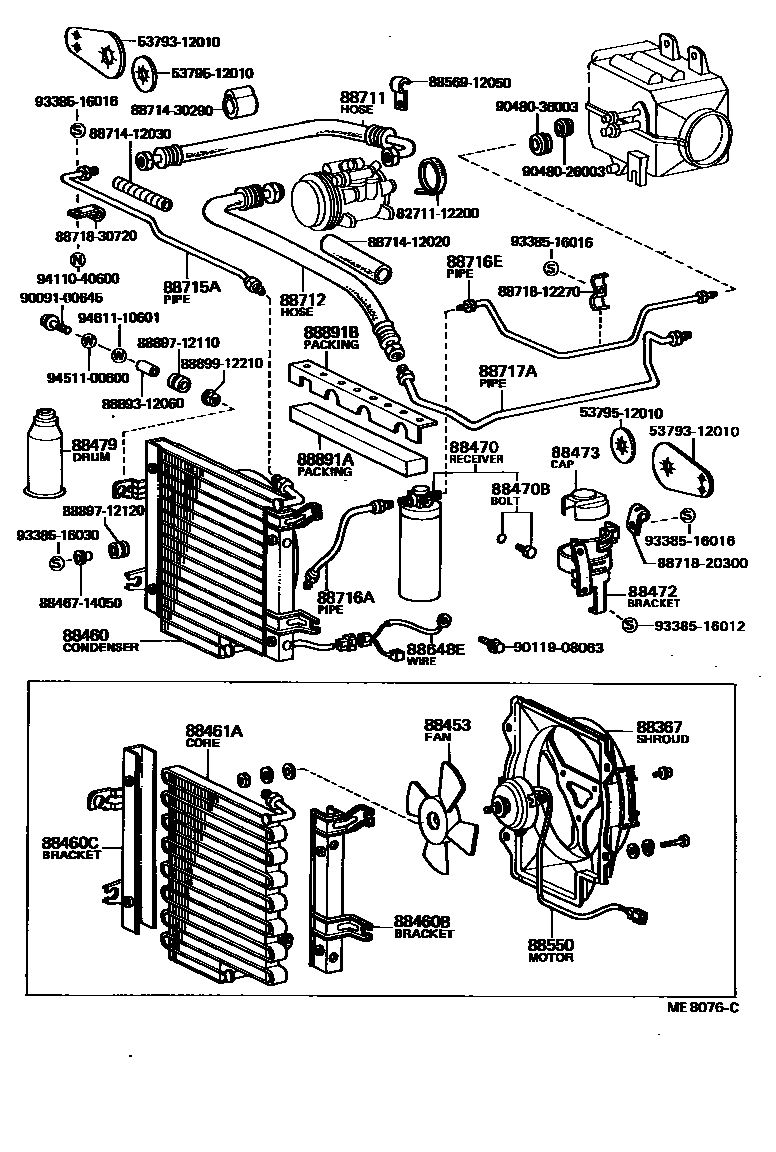
HEATING & AIR CONDITIONING - COOLER PIPING

88367SHROUD, COOLER BLOWER FAN
88453FAN, COOLING (FOR CONDENSER)
sub11690-17702
88460CONDENSER ASSY, COOLER
OKINAWA SPEC
OKINAWA SPEC
W/POWER STEERING
sub88460-12120
sub88460-12130
sub88450-12040
88460BBRACKET, COOLER CONDENSER, NO.1
88460CBRACKET, COOLER CONDENSER, NO.2
88461ACORE, COOLER CONDENSER
88470BBOLT, FUSE
sub88475-12020
88472BRACKET, RECEIVER TANK, NO.1
88479FREON GAS, AIR CONDITIONER (DRUM, COOLER REFRIGERANT)
88550MOTOR ASSY, BLOWER (FOR CONDENSER)
88648EWIRING, COOLER
88711HOSE, COOLER REFRIGERANT DISCHARGE, NO.1
W/POWER STEERING
88715APIPE, COOLER REFRIGERANT DISCHARGE, A
W/POWER STEERING
88716APIPE, COOLER REFRIGERANT LIQUID, A
88716EPIPE, COOLER REFRIGERANT LIQUID, E
88717PIPE, COOLER REFRIGERANT SUCTION, NO.1
88717APIPE, COOLER REFRIGERANT SUCTION, A
sub88717-12111
W/AUTOMATIC AIR CONDITIONER
W/AUTOMATIC AIR CONDITIONER
88891BPACKING B (FOR COOLER)
5379312010COVER, HEADLAMP WIRE HARNESS HOLE, NO.1
main53793-12010
5379512010COVER, HEADLAMP WIRE HARNESS HOLE, RH
main53795-12010
8271112200WIRE, FUSE TO FUSE(FOR COMBUSTION HEATER)
main82711-12200
8846714050CUSHION, COOLER CONDENSER, NO.1
main88467-14050
8856912050CLAMP (FOR COOLER RELAY)
main88569-12050
8871412020HOSE, COOLER REFRIGERANT LIQUID, NO.1
main88714-12020
8871412030HOSE, COOLER REFRIGERANT LIQUID, NO.1
main88714-12030
8871430290HOSE, COOLER REFRIGERANT LIQUID, NO.1
main88714-30290
8871812270PIPE, COOLER REFRIGERANT SUCTION, NO.2
main88718-12270
8871820300PIPE, COOLER REFRIGERANT SUCTION, NO.2
main88718-20300
8871830720PIPE, COOLER REFRIGERANT SUCTION, NO.2
main88718-30720
8889312060COLLAR (FOR COOLER IDLER PULLEY)
main88893-12060
8889712110VALVE, COOLER MAGNET
main88897-12110
8889712120VALVE, COOLER MAGNET
main88897-12120
8889912210COVER, EVAPORATOR
main88899-12210
9009100645
main90091-00645
9011908063
main90119-08063
9048026003
main90480-26003
9048036003
main90480-36003
9338516012
main93385-16012
9338516016
main93385-16016
9338516030
main93385-16030
9411040600
main94110-40600
9451100600
main94511-00600
9461110601
main94611-10601
47 parts on this diagram · 8 diagrams in section