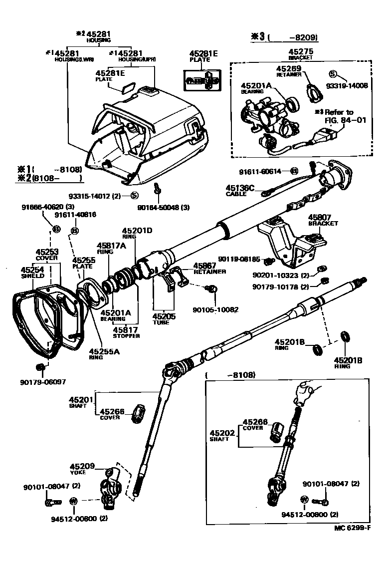
STEERING COLUMN & SHAFT

45136CCABLE, BOND(FOR HORN EARTH)
W/TILT STRG
45201SHAFT SUB-ASSY, STEERING MAIN
W/PS
W/PS
W/TILT STRG ,W/TILT STRG & PS
45201ABEARING(FOR STEERING MAIN SHAFT)
UPR,W/TILT STRG
UPR
CTR,W/TILT STRG
LWR
45201BRING, SHAFT SNAP(FOR STEERING MAIN SHAFT)
45201DRING(FOR STEERING MAIN SHAFT)
45202SHAFT SUB-ASSY, STEERING INTERMEDIATE
45205TUBE SUB-ASSY, STEERING COLUMN
W/PS
W/TILT STRG
W/TILT STRG
45209YOKE SUB-ASSY, STEERING SLIDING
W/PS
45253COVER, STEERING COLUMN HOLE
W/PS
W/TILT STRG
W/TILT STRG
45254SHIELD, STEERING COLUMN HOLE
45255PLATE, STEERING COLUMN HOLE COVER
45255AGROMMET OR RING, O(FOR STEERING COLUMN CLAMP)
45269RETAINER, MAIN SHAFT BEARING
45281HOUSING, STEERING COLUMN
UPR,DARK BROWN,BROWN,TRIM4#
sub45286-12100
BLACK,W/TILT STRG,BLACK,TRIM2#
sub45286-12926
BLUE,W/TILT STRG,BLUE,TRIM8#
sub45286-12926
DARK BROWN,W/TILT STRG,BROWN,TRIM4#
sub45286-12926
45281EPLATE, SAFETY CAUTION
45807BRACKET SUB-ASSY, STEERING COLUMN UPPER SUPPORT
W/TILT STRG
W/PS
45817STOPPER, STEERING SHAFT THRUST
sub45808-12030
45867RETAINER, STEERING MAIN SHAFT STOPPER
8401
9010108047
main90101-08047
9010510082
main90105-10082
9011908185
main90119-08185
9016450048
main90164-50048
9017906097
main90179-06097
9017910178
main90179-10178
9020110323
main90201-10323
9161140816
main91611-40816
9161160614
main91611-60614
9166640620
main91666-40620
9331514012
main93315-14012
9331914008
main93319-14008
9451200800
main94512-00800
35 parts on this diagram · 13 diagrams in section